ABLIC S-8471 Wireless Power Receiver Control IC
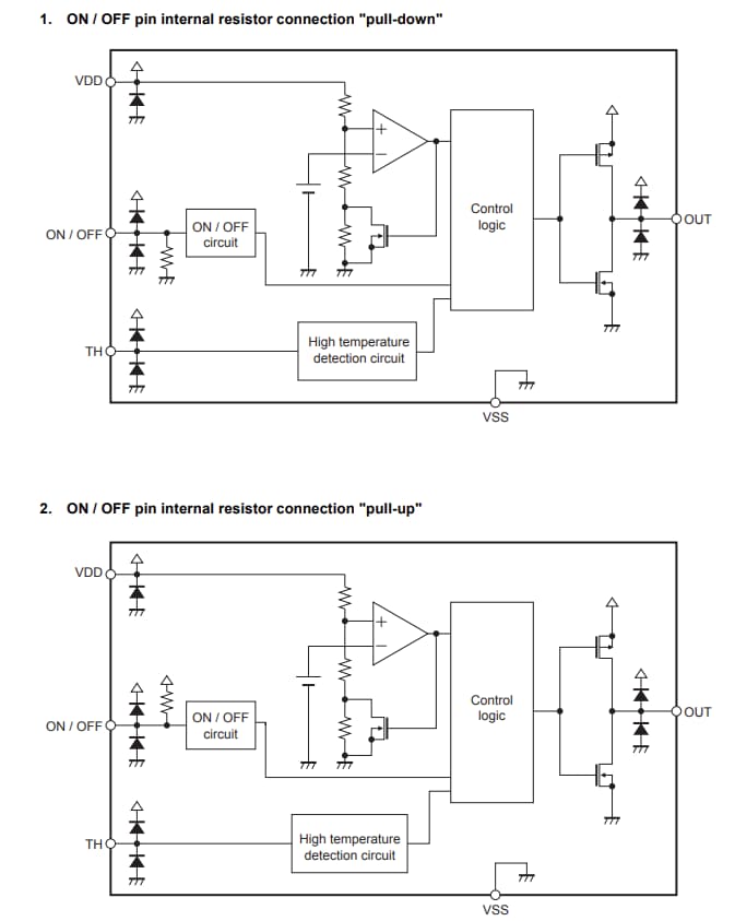
ABLIC S-8471 Wireless Power Receiver Control IC is configured with an overvoltage detection circuit, an ON/OFF circuit, and a high-temperature detection circuit. This wireless power IC features 400mW power dissipation, 50μA maximum current consumption (during operation), and ±2% overvoltage detection accuracy. The S-8471 IC operates at 0.95V to 6.5V voltage and -40°C to 85°C temperature range. This wireless power IC is lead- and halogen-free and is available in the SNT-6A package. The S-8471 IC is used in devices for wireless power and small-sized wireless charging system applications.Features
- Active H and active L selelectable ON/OFF pin control logic
- Unavailable, pull-up, and pull-down selectable ON/OFF pin internal resistor connection
- Over temperature protection function
- Lead and halogen-free
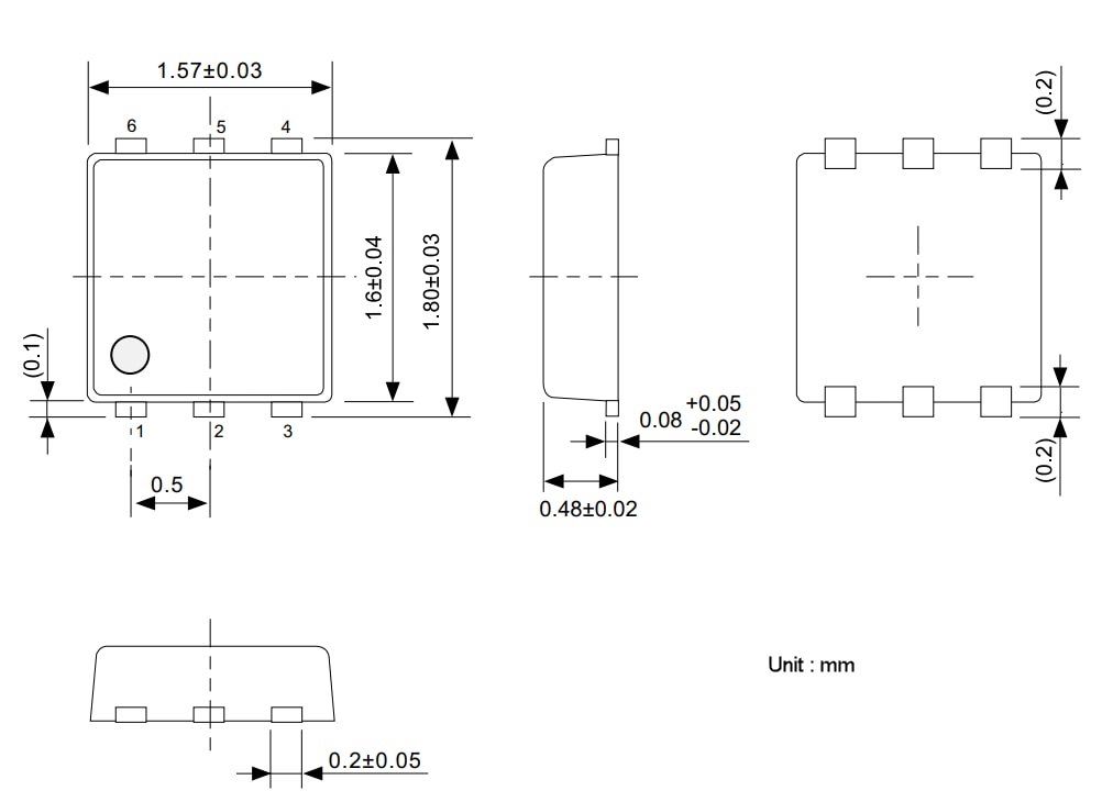
- Available in the SNT-6A package
Specifications
- 0.95V to 6.5V operating voltage range
- 4V to 5.5V overvoltage detection voltage range (selectable in 50mV step)
- ±2% overvoltage detection accuracy
- 400mW power dissipation (when mounted on board)
- 50μA maximum current consumption (during operation)
- -40°C to 85°C operating temperature range
Applications
- Devices for wireless power
- Small-sized wireless charging system
Block Diagrams
Mechanical Diagram
公開: 2023-03-27
| 更新済み: 2023-04-11
