Allegro MicroSystems A4919 MOSFET Drivers with Integrated Regulators
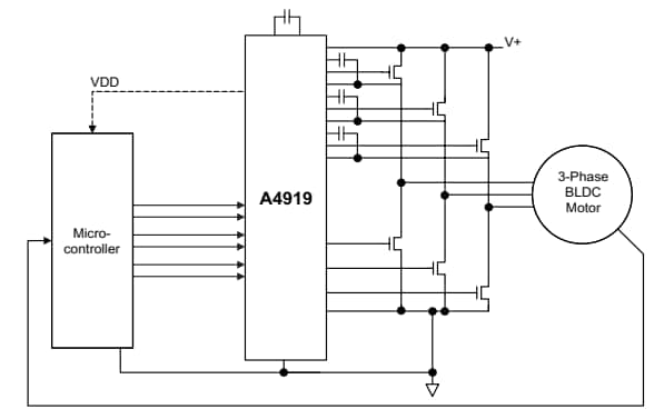
Allegro MicroSystems A4919 MOSFET Drivers with Integrated Regulators are designed for N-Channel external power MOSFETs and offer a 5.5V to 50V voltage range. The charge pump regulator provides full <10V gate drive at power supply voltages down to 7V and allows these drivers to operate with reduced gate drive at power supply voltages down to 5.5V. The bootstrap capacitor provides the power supply voltage required for N-channel MOSFETs. Each of the six power MOSFETs in the three-phase bridge is provided one logic-level input, allowing motors to be driven with any commutation scheme defined by an external controller. Power MOSFETs are protected from cross-conduction by integrated crossover control, and short faults, supply undervoltage, and chip overtemperature conditions are indicated by a single open-drain fault output. Allegro MicroSystems A4919 MOSFET Drivers come in a 28-pin TSSOP power package (suffix LP) or a 28-terminal 5mm x 5mm QFN package (suffix ET).Features
- Regulated logic supply voltage output option
- Low-current sleep mode option
- Motor phase short-to-supply and short-to-ground detection
- Cross-conduction protection
- Undervoltage, overtemperature monitors
Applications
- Lawn and garden equipment
- Battery-operated power tools
- Industrial grinders
- Continuous positive airway pressure (CPAP) machines
- Vacuum cleaners
Specifications
- Packages
- 28-pin TSSOP power package (suffix LP)
- 28-terminal 5mm x 5mm QFN package (suffix ET)
- 5.5V to 50V supply voltage range
- -40°C to +105°C operating temperature range
Application Diagram
Additional Resources
公開: 2023-05-16
| 更新済み: 2023-12-13
