Amphenol Aerospace Centaur Press Fit PCBコネクタ
Amphenol Aerospace Centaur Press Fit PCBコネクタは、準拠したアイプレスフィットテールが特徴で、最速10Gbpsまでのデータレートをサポートしています。これらのコネクタは、32 ~ 40差動ペアでご用意があり、この構成は頑丈な38,999統合システムを対象にボードに直接接続されています。Centaur press fit PCBコネクタは、電気的に試験が完了しており、接点材料として銅合金が備わっています。これらのコネクタには、アルミニウムおよびステンレススチールが備わっており、標準メッキオプションがあります。Centaur プレスフィットPCBコネクタは、キーイング、500回の嵌合サイクル、選択された金合金、および50u Ni上の純粋な錫のコンタクトめっきを特徴としています。これらのコネクタは、-40°C〜85°Cの温度範囲、および100Ωのインピーダンスで動作します。特徴
- アイプレスフィットテールに準拠
- 標準直角ExaMAXまたは垂直ヘッダオプションとの互換性あり
- 頑丈な軽量アルミMIL-DTL-38999シリーズIIIサイズ23および25
- キーイング:「N」(標準)「A」、「B」、「C」、「D」、「E」
- VITA 47(衝撃、振動)
- 電気的試験を完全実施済み
- 銅合金接点材料
- 標準メッキオプションシェル素材のアルミニウムおよびステンレススチール
- 選択的な金合金および50u Niコンタクトメッキの上に純錫
仕様
- 100Ωインピーダンス
- 最大10Gbps PAM4のデータレートに対応
- 500回の嵌合サイクル
- -40°C~85°Cの動作温度範囲
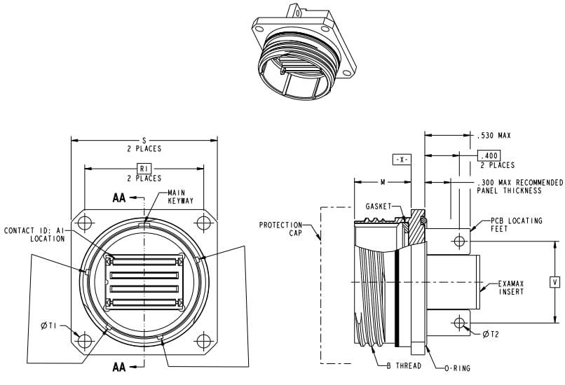
機械図面
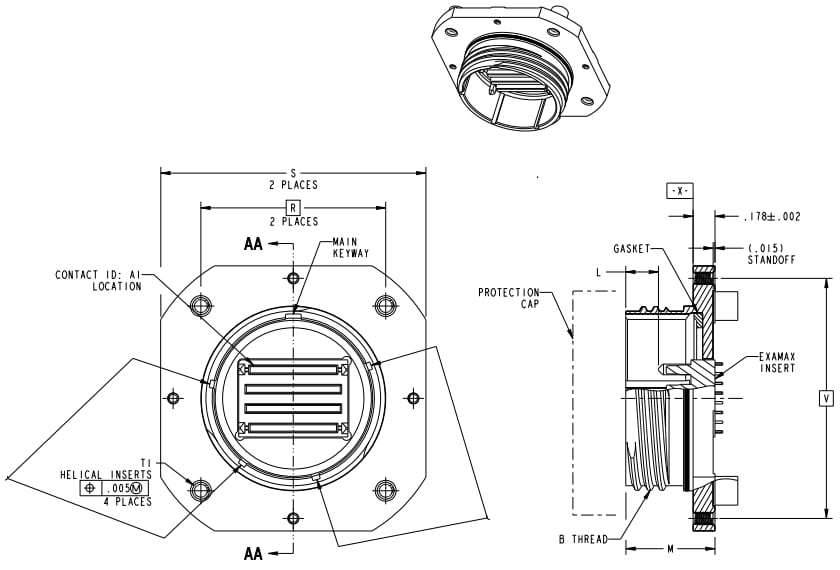
機械図面
その他の資料
公開: 2024-04-18
| 更新済み: 2025-12-15
