Amphenol All Sensors AXCA増幅中圧力センサ
Amphenol All Sensors AXCA増幅型中圧力センサは、独自のパッケージ技術に基づいており、誤差を低減して性能を向上できます。センサのハウジングは、パッケージ誘導寄生応力と歪みを低減するように特別に設計されています。これらの中圧力センサは、レシオメトリック4V出力を実現しており、出力特性に優れています。AXCAセンサには、シリコン、微細加工、応力濃度が強化された構造が活用されており、測定された圧力に対して非常に線形な出力を実現できます。これらの中圧力センサは、ASIC補償技術を使用して内部補償されます。AXCAセンサは、医療計器、環境計測、HVAC計器での使用に最適です。特徴
- レシオメトリック4V出力
- 温度補償済み
- 較正されたゼロおよびスパン
- ASIC補償技術
仕様
- 0.3~150 PSI圧力範囲
- 4.5Vdc~5.5Vdc供給電圧範囲
- 動作温度範囲: -25°C~+85°C
- -40°C~125°C保存温度範囲
アプリケーション
- 医療用計測機器
- 環境計器
- HVAC計器
AXCAの回路表示
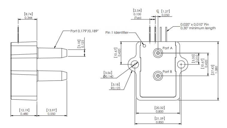
寸法
公開: 2019-07-23
| 更新済み: 2023-05-01
