Amphenol All Sensors BFTMシリーズ 圧力センサ
Amphenol All Sensors BFTMシリーズ圧力センサは、コンパクト設計で位置感度、パッケージングストレス、長期ドリフトに起因する出力オフセット誤差を大幅に低減しています。これらのボード取付式センサは、シリコン、マイクロマシニング、応力集中強化構造を特長とし、測定圧力に対して非常にリニアな出力を提供します。BFTMセンサは、空気や乾燥ガスなどの非腐食性、非イオン性作動流体で使用できるように設計されています。これらのベーシック圧力センサは、信頼性の高い圧力計測が求められる分野、産業用、環境モニタリング用途に最適です。特徴
- 超高安定性、小型設計
- 強化された精度
- 高コモンモードおよび低差動圧力監視用に最適化されたパッケージング
- 絶対圧と差圧を1パッケージに集積
- RoHS準拠
アプリケーション
- HVAC
- 産業用制御機器
- 環境制御装置
- マスフローコントローラ
- ガスミキサー
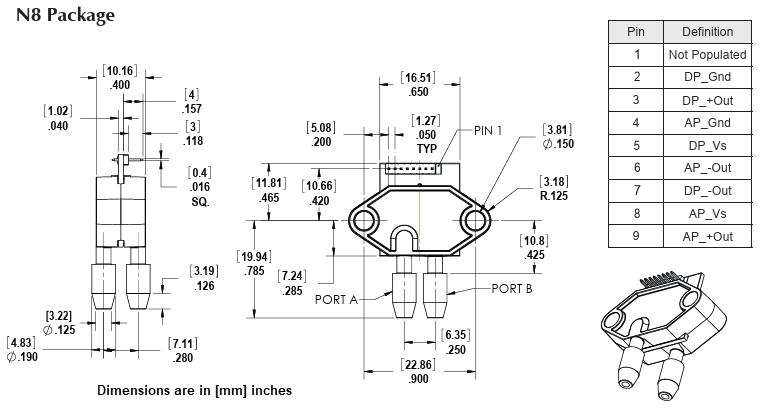
パッケージ図
公開: 2025-07-31
| 更新済み: 2025-12-30
