Amphenol Aerospace デュアル・チャンネル・ファイバ・プロトコル・メディア・コンバータ
Amphenol Aerospaceデュアル・チャンネル・ファイバ・プロトコル・メディア・コンバータは、2チャンネルの1G-Base-T銅または10G-Base-Tイーサネットを光ファイバ・プロトコルに変換します。これらのメディア・コンバータは、銅側で自動ネゴシエーションされた最高速度に基づいてファイバー速度を設定し、1G-Base-Tまたは10G-Base-Tのどちらかの柔軟性を発揮します。スタンドアロン・アダプタを使用すると、他のプラットフォームと統合できます。これらのAmphenol Aerospaceメディア・コンバータは、28V電源最大5Wと共に作動します。銅/ファイバ・コンバータ・モジュールは、過酷環境の航空電子工学、接地システム、海軍アプリケーション、センサ・システムに最適です。特徴
- 1G~10Gの速度で拡張可能
- 動作温度: -40°C~85°C
- 伝導冷却
- 自動再ネゴシエーション銅プロトコル
- IEEE 802.3an規格に準拠した1G-Base-Tまたは10G-Base-Tのどちらかが可能
- ファイバ・プロトコルは、業界規格の1G-Base-SXおよび10G-Base-SRに準拠しています。
- 光ファイバ出力パワー: -3dBm最小
- 光ファイバ受信感度: -13dBm最小
- 28V電源; 最大5W
- 統合システム用のスタンドアロン・アダプタ
アプリケーション
- 接地システム
- 海軍アプリケーション
- センサシステム
- 過酷環境の航空電子工学
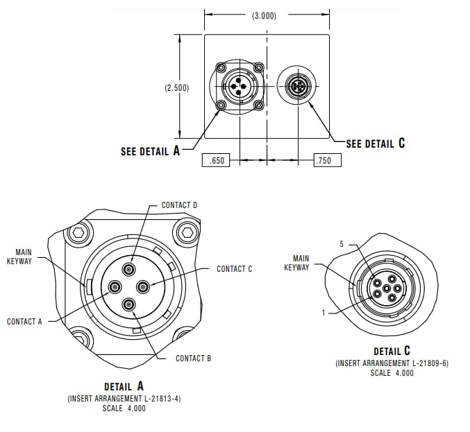
線画A
線画B
公開: 2018-08-30
| 更新済み: 2022-08-04
