Amphenol Aerospace 耐環境型イーサネットスイッチ
Amphenol Aerospace耐環境型イーサネットスイッチは、シングルモード1GBASE-EXまたは1GBASE-LX、およびマルチモード1GBASE-SXなどの10/100/1000BASE-T銅イーサネットおよび光ファイバイーサネットをサポートしています。これらのスイッチは、複数のギガビットイーサネット接続をシステムにルーティングする場合に最適です。イーサネット・スイッチは、メッキ、キーイング、機械的実装、クロッキング、ファイバのモード、銅とファイバ・ポートの組み合わせで完全にカスタマイズできます。これらのスイッチは、-40°C~70°Cの温度範囲で動作し、4、6、8ポートオプションでご用意があります。特徴
- IEEE以上の仕様によって以下のプロトコルをサポート:
- 10/100/1000BASE-T
- 100BASE-FX
- 1GBASE-FX
- 1GBASE-EXおよび-ZX
- 1GBASE-LXおよび-LX10
- 1GBASE-SXおよび-SX4
- MIL-STD-810衝撃と振動に対する完全な耐久性
- 複数のギガビット・イーサネット接続をシステムにルーティングする場合に最適
- 内部サブシステム・ファイバ・ハーネス、相互接続、またはトランシーバ不要
- 銅トランシーバと既存の相互接続(バックプレーン、ハーネス、フェイスプレート)をシステムファイバ接続に活用
- コネクタでのメディア変換によって、システムの複雑性とコストを削減
- メディアコンバータにおけるMIL-DTL-38999丸型コネクタのすべてのメリット
- 動作温度範囲:-40°C~+70°C
ビデオ
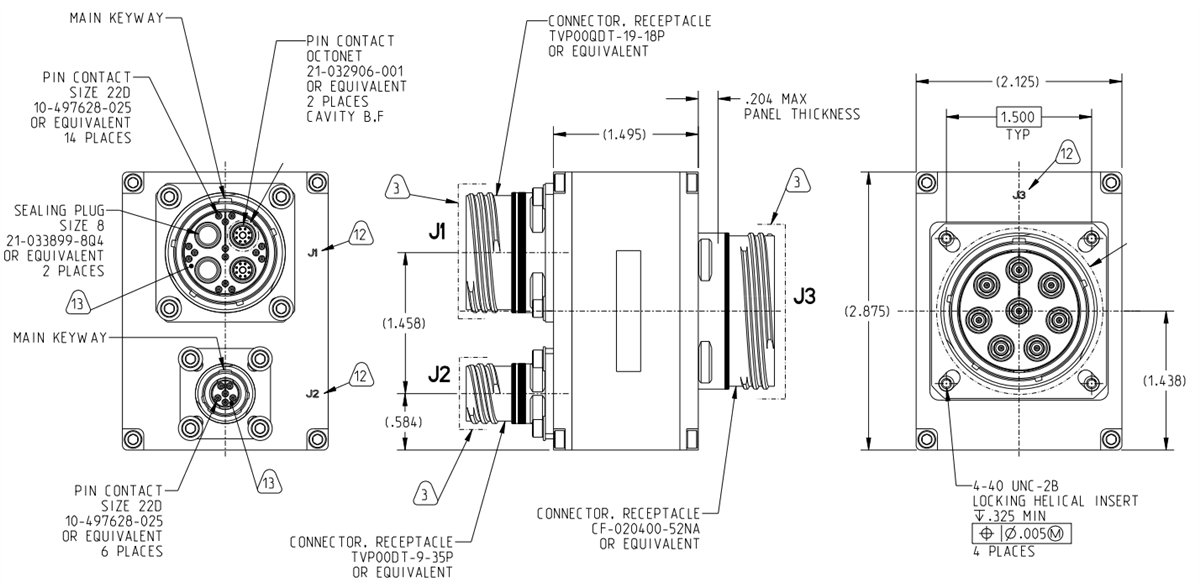
CF_020400_51X_AおよびCF_020400_57X_A 機械図面
CF_020400_52X_A 機械図面
CF_020400_56X_A 機械図面
公開: 2023-09-11
| 更新済み: 2025-01-14
