Amphenol Tuchel

Amphenol-Tuchel C091D丸型コネクタ


Amphenol-Tuchel C091D丸型コネクタは、精密な金属で作成されており、IP67とIP65を対象とした侵入保護機能が備わっています。C091Dコネクタには、完全嵌合ならびにロック位置での完全EMIセキュリティが備わっています。Amphenol-Tuchelには、オスおよびメスの丸型ケーブルコネクタがあり、3~8、12、14コンタクト、3~8位置でのクランプ、フロントまたはリアパネル取り付け、PCBマウント機能が備わっています。

特徴
  • 精密なメタル構造
  • 金属製ロックリング; DIN EN 60130-9 / IEC 60130-9に準じたネジロック
  • 保護等級 IP 65およびIP 67
  • IEC 60130-9に準じたネジ嵌合
  • コンタクト数: 3~8、12、14コンタクト
  • 内部ストレインリリーフ
  • 完全嵌合とロック位置での完全EMIシールディング




製品リストを表示

仕様
標準
特性
コンタクト数

コンタクトイ挿入の終端側ビュー

3

4

5

5ステレオ

6

7

7

8

12

14

DINに準じたコンタクト配列
IECに準じたコンタクト配列

41 524
60130-9
-
60130-9
-
-
41 524
60130-9
45 322
60130-9
-
-
45 329
60130-9
45 326
60130-9
-
-
-
-
電気特性
定格電圧
IEC 60664-1
 300 V~
100 V~ 300 V~
100 V~
150 V~
定格電圧
UL 1977
250 V
60 V
定格インパルス耐電圧
IEC 60664-1
1500 V
1200 V
1500 V
1200 V
汚染度
IEC 60664-1
1
インストール分類
IEC 60664-1
I
絶縁グループ
IEC 60664-1
II、400 ≤ CTI < 600="">
電流定格
IEC60512-5-2
試験5 b
UL 1977
5 A / +40°C / +104°F
3 A / +40°C /+104°F
絶縁抵抗
IEC 60512-3-1
試験3 a
> 10 10 Ω
接点抵抗
IEC 60512-2-1
試験2 a
< 5="" mω="">
気候特性
気候分類 IEC 60668-1
40 / 100 / 56
温度範囲
IEC 60668-1
-40°C~+100°C / -40°F~+212°F
医療特性
IP分類
IEC 60529
IP 67 / IP 65
挿入力と抜去力
IEC 60512-13-2
試験13 b
25 N
90.oz
30 N
110.oz
35 N
125.oz
50 N
180.oz
55 N
200.oz
60 N
220.oz
50 N
180.oz
機械的動作
IEC 60512
試験9 a
銀≥ 500回の嵌合サイクル
金≥ 1000回の嵌合サイクル
材質

筐体の材質

ダイキャスト、ニッケルメッキ
誘電体材料

熱可塑性
シール材

ネオプレン
コンタクトメッキ

銀メッキ/金メッキ*
その他の特性
成端技術

はんだ、クランプ
はんだ付け
ワイヤゲージ

はんだ: ≤ 0.5 mm 2   / 20 AWG
クランプ: 2 - 6極(5Sを除く): 0.09 - 1.00 mm 2 / 28 - 18 AWG
クランプ: 5S、7、7S、8極: 0.09 - 0.75 mm 2 / 28 - 20 AWG
≤ 0.25 mm 2 /
24 AWG
難燃性

UL 94 V0
ロッキング機構
IEC 60130-9
金属ネジ嵌合; トルク締め付け0.5 - 0.7 nm
UL
UL 1977
受容性の条件
* 金メッキコンタクトの注意点: 金属間での脆弱な接続を避けるために、金メッキ端子は、はんだエリアに錫メッキを施す必要があります。IEC 60 664 ^= DIN VDE 0110 ; IEC 60 512-x ^= DIN EN 60 512-x。

ケーブル - オス


Amphenol-Tuchel C091D丸型オスコネクタ

Amphenol-Tuchel C091Dシリーズはオスケーブルコネクタで、3~8、12、14コンタクト、3~8位置でのクランプ、フロントまたはリアパネル取り付け、PCBマウント機能が備わっています。このコネクタは、銀または金のいずれかのメッキが特徴で、4~6mm、6~8mmのケーブル径に対応しています。

製品リストを表示

オスケーブルコネクタ
説明と コンタクト数 はんだ終端 -
銀メッキ
はんだ終端 -
金メッキ

クランプ終端

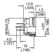
ケーブル径4~6 mm用オスケーブルコネクタ(ストレート)、終端: はんだまたはクランプ、コンタクトメッキ: 銀または金。


Amphenol-Tuchel C091D丸形オスコネクタの図
 3 C091 31H003 100 2  - C091-11H003-000-2
 4   -  - C091-11H004-000-2
 5 C091 31H005 100 2 C091-31H005-200-2 C091-11H005-000-2
 5S C091 31H105 100 2  - C091-11H105-000-2
 6 C091 31H006 100 2 C091-31H006-200-2
C091-11H006-000-2
 7 C091 31H107 100 2  - C091-11H007-000-2
 7* C091 31H107 100 2 C091-31H107-200-2 C091-11H107-000-2
 8 C091 31H008 100 2 C091-31H008-200-2 C091-11H008-000-2
12 C091-31H012-100-2 C091 31H012 200 2  -
14 C091-31H014-100-2 C091 31H014 200 2  -

ケーブル径6~8 mm用オスケーブルコネクタ(ストレート)、終端: はんだまたはクランプ、コンタクトメッキ: 銀または金。


Amphenol-Tuchel C091D丸形オスコネクタの図
 3 C091 31H003 101 2   - C091-11H003-001-2
 4 C091-31H004-101-2   - C091-11H004-001-2
 5 C091-31H005-101-2   - C091-11H005-001-2
 5S C091-31H105-101-2   - C091-11H105-001-2
 6 C091-31H006-101-2 -
C091 11H006 001 2
 7 C091-31H007-101-2 C091-31H007-201-2 C091-11H007-001-2
 7* C091-31H107-101-2 -
C091-11H107-001-2
 8 C091 31H008 101 2 C091-31H008-201-2 C091-11H008-001-2
12 -
C091-31H012-201-2   -
14  - C091-31H014-201-2  -
*DIN 45 329に準じたコンタクト仕様。IEC 60130-9に準じたコンタクト仕様。
Amphenol-Tuchel C091D丸型オスコネクタの組立説明書


ケーブル - メス型

Amphenol-Tuchel C091D丸型メスコネクタ

Amphenol-Tuchel C091Dシリーズはメスケーブルコネクタで、3~8、12、14コンタクト、3~8位置でのクランプ、フロントまたはリアパネル取り付け、PCBマウント機能が備わっています。このコネクタは、銀または金のいずれかのメッキが特徴で、4~6mm、6~8mmのケーブル径に対応しています。

製品リストを表示

メスケーブルコネクタ
説明と コンタクト数 はんだ終端 - 銀 メッキ
はんだ終端 - 金メッキ
クランプ終端

ケーブル径4~6 mm用メスケーブルコネクタ(ストレート)、終端: はんだまたはクランプ、コンタクトメッキ: 銀または金。


Amphenol-Tuchel C091D丸型メスコネクタの図
 3 C091-31D003-100-2  - C091-11D003-000-2
 4 C091 31D004 100 2
 - C091-11D004-000-2
 5 C091 31D005 100 2
C091-31D005-200-2
C091-11D005-000-2
 5S C091 31D105 100 2
 - -
 6 C091 31D006 100 2
C091-31D006-200-2
C091-11D006-000-2
 7 C091 31D007 100 2
- C091-11D007-000-2
 7* C091 31D107 100 2
- C091-11D107-000-2
 8 C091 31D008 100 2 C091-31D008-200-2
C091-11D008-000-2
 12 C091 31D012 100 2 C091-31D012-200-2
 -
 14 C091 31D014 100 2 C091 31D014 200 2  -

ケーブル径6~8 mm用メスケーブルコネクタ(ストレート)、終端: はんだまたはクランプ、コンタクトメッキ: 銀または金。


Amphenol-Tuchel C091D丸型メスコネクタの図
 3 C091-31D003-101-2   - C091-11D003-001-2
 4 C091-31D004-101-2
  - C091-11D004-001-2
 5 C091-31D005-101-2
  - C091-11D005-001-2
 5S C091-31D105-101-2   - C091-11D105-001-2
 6 C091-31D006-101-2  - C091-11D006-001-2
 7 C091-31D007-101-2
C091 31D007 201 2 C091-11D007-001-2
 7* C091-31D107-101-2  - C091-11D107-001-2
 8 C091 31D008 101 2
C091 31D008 201 2 C091-11D008-001-2
 12 -
C091 31D012 201 2  -
 14 -
C091 31D014 201 2  -
*DIN 45 329に準じたコンタクト仕様。IEC 60130-9に準じたコンタクト仕様。




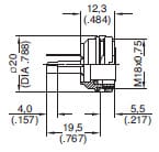
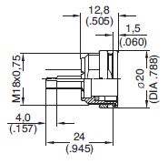
直角コネクタ


Amphenol-Tuchel C091D丸型直角コネクタ

Amphenol-Tuchel C091Dシリーズには、直角オスおよびメスケーブルコネクタがあり、3~8、12、14コンタクト、3~8位置でのクランプ、フロントまたはリアパネル取り付け、PCBマウント機能が備わっています。このコネクタは銀メッキが特徴で、4~6mm、6~8mmのケーブル径に対応しています。

製品リストを表示
直角コネクタ - オス
説明と コンタクト数 はんだ終端 -
銀メッキ
クランプ終端

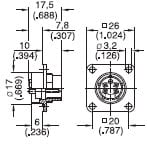
ケーブル径4~6 mm用オスケーブルコネクタ(直角)、終端: はんだまたはクランプ。寸法A = 55.5 mm。


Amphenol-Tuchel C091D丸型直角コネクタの図
3
C091 31K003 100 2
C091-11K003-000-2
4 C091 31K004 100 2
C091-11K004-000-2
5 C091 31K005 100 2
C091-11K005-000-2
5S C091 31K105 100 2
C091-11K105-000-2
6 C091 31K006 100 2
C091-11K006-000-2
7 C091 31K007 100 2
C091-11K007-000-2
7* C091 31K107 100 2
C091-11K107-000-2
8 C091 31K008 100 2
C091-11K008-000-2
12 C091 31K012 100 2
-
14 C091 31K014 100 2
-

ケーブル径6~8 mm用オスケーブルコネクタ(直角)、終端: はんだまたはクランプ。寸法A = 57.5 mm。

Amphenol-Tuchel C091D丸型直角コネクタの図

 3 -
-
 4 -
-
 5 -
-
 5S -
-
 6 C091-31K006-101-2
C091-11K006-001-2
 7 C091-31K007-101-2
C091-11K007-001-2
 7* C091-31K107-101-2
C091-11K107-001-2
 8 C091-31K008-101-2
C091-11K008-001-2
 12 C091-31K012-101-2
-
 14 C091-31K014-101-2
-
*DIN 45 329に準じたコンタクト仕様。IEC 60130-9に準じたコンタクト仕様。
直角コネクタ - メス
説明と コンタクト数 はんだ終端 -
銀メッキ
クランプ終端

ケーブル径4~6 mm用メスケーブルコネクタ(直角)、終端: はんだまたはクランプ。寸法A = 55.5 mm。


Amphenol-Tuchel C091D丸型直角コネクタの図
3
C091 31F003 100 2
C091-11F003-000-2
4 C091 31F004 100 2
C091-11F004-000-2
5 C091 31F005 100 2
C091-11F005-000-2
5S C091 31F105 100 2 C091-11F105-000-2
6 C091 31F006 100 2
C091-11F006-000-2
7 C091 31F007 100 2
C091-11F007-000-2
7* C091 31F107 100 2
C091-11F107-000-2
8 C091 31F008 100 2
C091-11F008-000-2
12 C091 31F012 100 2
-
14 C091 31F014 100 2
-

ケーブル径6~8 mm用メスケーブルコネクタ(直角)、終端: はんだまたはクランプ。寸法A = 57.5 mm。

Amphenol-Tuchel C091D丸型直角コネクタの図

 3 -
-
 4 -
-
 5 -
-
 5S -
-
 6 C091-31F006-101-2
C091-11F006-001-2
 7 C091-31F007-101-2
C091-11F007-001-2
 7* C091-31F107-101-2
C091-11F107-001-2
 8 C091-31F008-101-2
C091-11F008-001-2
12 C091-31F012-101-2
-
14 C091-31F014-101-2
-
*DIN 45 329に準じたコンタクト仕様。IEC 60130-9に準じたコンタクト仕様。
Amphenol-Tuchel C091D丸型直角コネクタの組立説明書

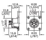
メスレセプタクル


Amphenol-Tuchel C091Dメスレセプタクル

Amphenol-Tuchel C091Dシリーズには、3~8コンタクトおよび12~14コンタクト、3〜8ヵ所でのクランプ、フロントまたはリアパネル取り付け、フランジ取り付けのメスレセプタクルがあります。

製品リストを表示

フロント取付用メスレセプタクル
説明と コンタクト数 はんだ終端 - 銀 メッキ
はんだ終端 - 金メッキ
クランプ終端

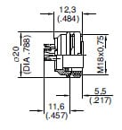
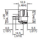
メスレセプタクル、終端: はんだまたはクランプ、コンタクトメッキ: 銀または金、リングナットでのパネル取付、Oリングでのシーリング。

Amphenol-Tuchel C091Dメスレセプタクルの図

  3 C091 31N003 100 2
-
C091-11N003-000-2
 4 C091 31N004 100 2
-
C091-11N004-000-2
 5 C091 31N005 100 2
-
C091-11N005-000-2
 5S C091 31N105 100 2
-
C091-11N105-000-2
 6 C091 31N006 100 2
-
C091-11N006-000-2
 7 C091 31N007 100 2
-
C091-11N007-000-2
 7* C091 31N107 100 2
-
C091-11N107-000-2
 8 C091 31N008 100 2
-
C091-11N008-000-2
 12 C091-31N012-100-2
C091 31N012 200 2
-
 14 C091-31N014-100-2
C091 31N014 200 2
-

メスレセプタクル、 終端: ストレートDIPはんだ、 コンタクトメッキ: 銀または金、フランジからのピンの長さ15mm、リングナットでのパネル取付、Oリングでのシーリング、 はんだエリア: 錫メッキ。

Amphenol-Tuchel C091Dメスレセプタクルの図

 3 C091-61N003-110-2
-
-
 4 C091-61N004-110-2
- -
 5 C091-61N005-110-2
- -
 5S C091-61N105-110-2
- -
 6 C091-61N006-110-2
- -
 7 C091-61N007-110-2
- -
 7* C091-61N107-110-2
- -
 8 C091-61N008-110-2
- -
12 -
C091-61N012-210-2
-
14 -
C091-61N014-210-2
-
*DIN 45 329に準じたコンタクト仕様。IEC 60130-9に準じたコンタクト仕様。
フロント取付用メスレセプタクル
説明と コンタクト数 はんだ終端 - 銀 メッキ
はんだ終端 - 金メッキ
クランプ終端

メスレセプタクル、 終端: ストレートDIPはんだ、 コンタクトメッキ: 銀、フランジからのピンの長さ19 mm、リングナットでのパネル取付、Oリングでのシーリング、 はんだエリア: 錫メッキ。

Amphenol-Tuchel C091Dメスレセプタクルの図

 3 C091-61N003-120-2
- -
 4 C091-61N004-120-2
- -
 5 C091-61N005-120-2
- -
 5S C091-61N105-120-2
- -
 6 C091-61N006-120-2
- -
 7 C091-61N007-120-2
- -
  7* C091-61N107-120-2
- -
 8 C091-61N008-120-2
- -
 12 -
- -
 14 -
- -

メスレセプタクル、 終端: ストレートDIPはんだ、 コンタクトメッキ: 銀、フランジからのピンの長さ24mm、リングナットでのパネル取付、Oリングでのシーリング、 はんだエリア: 錫メッキ。

Amphenol-Tuchel C091Dメスレセプタクルの図

3 C091-61N003-130-2
- -
 4 C091-61N004-130-2
- -
 5 C091-61N005-130-2
- -
 5S C091-61N105-130-2
- -
 6 C091-61N006-130-2
- -
 7 C091-61N007-130-2
- -
 7* C091-61N107-130-2
- -
 8 C091-61N008-130-2
- -
 12 - - -
 14 - - -
リア取付用メスレセプタクル
説明と コンタクト数 はんだ終端 - 銀 メッキ
はんだ終端 - 金メッキ
クランプ終端

メスレセプタクル、終端: はんだまたはクランプ、コンタクトメッキ: 銀または金、リングナットでのパネル取付、Oリングでのシーリング。

Amphenol-Tuchel C091Dメスレセプタクルの図
 3 C091 31G003 100 2
 - C091-11G003-000-2
 4 C091 31G004 100 2
C091-31G004-200-2
C091-11G004-000-2
 5 C091 31G005 100 2
C091-31G005-200-2
C091-11G005-000-2
 5S C091 31G105 100 2
 - C091-11G105-000-2
 6 C091 31G006 100 2

C091 11G006 000 2
 7 C091 31G007 100 2
-
 7* C091 31G107 100 2
 - C091-11G107-000-2
 8 C091 31G008 100 2
C091-31G008-200-2
C091-11G008-000-2
 12 C091-31G012-100-2
C091 31G012 200 2
 -
 14 C091-31G014-100-2
C091 31G014 200 2
 -

メスレセプタクル、 終端: ストレートDIPはんだ、 コンタクトメッキ: 銀または金、フランジからのピンの長さ10.5mm、リングナットでのパネル取付、Oリングでのシーリング、 はんだエリア: 錫メッキ。

Amphenol-Tuchel C091Dメスレセプタクルの図

 3 C091 61G003 110 2
  - -
 4 C091-61G004-110-2
  - -
 5 C091 61G005 110 2
  - -
 5S C091-61G105-110-2
  - -
 6 C091-61G006-110-2
C091-61G006-210-2 -
 7 C091-61G007-110-2
- -
 7* C091-61G107-110-2
 - -
 8 C091-61G008-110-2
C091-61G008-210-2 -
 12 C091-61G012-110-2
C091-61G012-210-2   -
 14 C091-61G014-110-2
C091-61G014-210-2
 -
*DIN 45 329に準じたコンタクト仕様。IEC 60130-9に準じたコンタクト仕様。
リア取付用メスレセプタクル(続き)
説明と コンタクト数 はんだ終端 - 銀 メッキ
はんだ終端 - 金メッキ
クランプ終端

メスレセプタクル、
終端: ストレートDIPはんだ、
コンタクトメッキ: 銀、
フランジからのピンの長さ19mm、
リングナットでのパネル取付、
Oリングでのシーリング、
はんだエリア: 錫メッキ。

Amphenol-Tuchel C091Dメスレセプタクルの図

 3 C091-61G003-120-2
 -  -
 4 C091-61G004-120-2
 -  -
 5 C091-61G005-120-2
 -  -
 5S C091-61G105-120-2
 -  -
 6 C091-61G006-120-2
 -  -
 7 -
 -  -
 7* C091-61G107-120-2
 -  -
 8 C091-61G008-120-2
 -  -
 12 -
 -  -
 14 -
 -  -

メスレセプタクル、
終端: ストレートDIPはんだ、
コンタクトメッキ: 銀、
フランジからのピンの長さ24mm、
リングナットでのパネル取付、
Oリングでのシーリング、
はんだエリア: 錫メッキ。

Amphenol-Tuchel C091Dメスレセプタクルの図



 3 C091-61G003-130-2
  -  -
 4 -
  -  -
 5 C091-61G005-130-2
  -  -
 5S C091-61G105-130-2
  -  -
 6 C091-61G006-130-2
 -  -
 7 C091-61G007-130-2
 -  -
 7* C091-61G107-130-2
 -  -
 8 C091-61G008-130-2
 -  -
 12 -
 -   -
 14 -
 -  -
*DIN 45 329に準じたコンタクト仕様。IEC 60130-9に準じたコンタクト仕様。
フランジ取付用メスレセプタクル
説明と コンタクト数 はんだ終端 - 銀 メッキ
はんだ終端 - 金メッキ
クランプ終端

メスレセプタクル、
Oリングでのシーリング、
終端: はんだまたはクランプ、
コンタクトメッキ: 銀または金、
ガスケット付きシーリング。

Amphenol-Tuchel C091Dメスレセプタクルの図

 3 C091-31T003-100-2
C091-31T003-200-2 -
 4 C091-31T004-100-2
-
 5 C091-31T005-100-2
- -
 5S C091-31T105-100-2
- -
 6 C091-31T006-100-2
C091-31T006-200-2 -
 7 C091-31T007-100-2
C091-31T007-200-2 -
 7* C091-31T107-100-2
- C091-11T107-000-2
 8 C091-31T008-100-2
- -
 12 -
C091-31T012-200-2 -
 14 -
C091-31T014-200-2 -
*DIN 45 329に準じたコンタクト仕様。IEC 60130-9に準じたコンタクト仕様。

オスレセプタクル


Amphenol-Tuchel C091Dオスレセプタクル

Amphenol-Tuchel C091Dシリーズには、3~8コンタクトおよび12~14コンタクト、3〜8ヵ所でのクランプ、フロントまたはリアパネル取り付け、フランジ取り付けのオスレセプタクルがあります。

製品リストを表示


フロント取付用オスレセプタクル
説明と コンタクト数 はんだ終端 - 銀 メッキ
はんだ終端 - 金メッキ
クランプ終端

オス型レセプタクル、
終端: はんだまたはクランプ、
コンタクトメッキ: 銀または金、
リングナットでのパネル取付、
Oリングでのシーリング。

Amphenol-Tuchel C091Dオスレセプタクルの図

 3 C091 31W003 100 2
C091-31W003-200-2
C091-11W003-000-2
 4 C091 31W004 100 2
C091-31W004-200-2
C091-11W004-000-2
 5 C091 31W005 100 2
C091-31W005-200-2
C091-11W005-000-2
 5S C091 31W105 100 2
C091-31W105-200-2
C091-11W105-000-2
 6 C091 31W006 100 2
C091-31W006-200-2
C091-11W006-000-2
 7 C091 31W007 100 2
C091-31W007-200-2
C091-11W007-000-2
 7* C091 31W107 100 2
C091-31W107-200-2
C091-11W107-000-2
 8 C091 31W008 100 2
C091-31W008-200-2
C091-11W008-000-2
 12 C091-31W012-100-2
C091 31W012 200 2
-
 14  - C091 31W014 200 2 -
*DIN 45 329に準じたコンタクト仕様。IEC 60130-9に準じたコンタクト仕様。

リア取付用オスレセプタクル
説明と コンタクト数 はんだ終端 - 銀 メッキ
はんだ終端 - 金メッキ
クランプ終端

オス型レセプタクル、
終端: はんだまたはクランプ、
コンタクトメッキ: 銀または金、
リングナットでのパネル取付、
Oリングでのシーリング。

Amphenol-Tuchel C091Dオスレセプタクルの図

 3 C091 31C003 100 2
C091-31C003-200-2
C091-11C003-000-2
 4 C091-31C004-100-2
C091-31C004-200-2
C091-11C004-000-2
 5 C091 31C005 100 2
C091-31C005-200-2
C091-11C005-000-2
 5S C091-31C105-100-2
-
C091-11C107-000-2
 6 C091 31C006 100 2
C091-31C006-200-2
C091-11C006-000-2
 7 C091 31C007 100 2 C091-31C007-200-2
C091-11C007-000-2
 7* C091-31C107-100-2
C091-31C107-200-2
C091-11S107-000-2
 8 C091 31C008 100 2 C091-31C008-200-2 C091-11C008-000-2
 12 C091-31C012-100-2
C091-31C012-200-2
-
 14  - C091-31C014-200-2 -
*DIN 45 329に準じたコンタクト仕様。IEC 60130-9に準じたコンタクト仕様。

フランジ取付用オスレセプタクル
説明と コンタクト数 はんだ終端 - 銀 メッキ
はんだ終端 - 金メッキ
クランプ終端

オスレセプタクル、
Oリングでのシーリング、
終端: はんだまたはクランプ、
コンタクトメッキ: 銀または金、
ガスケット付きシーリング。

Amphenol-Tuchel C091Dオスレセプタクルの図


 3 C091-31S003-100-2
-
C091-11S003-000-2
 4 C091-31S004-100-2
-
-
 5 C091-31S105-100-2
-
-
 5S C091 31N105 100 2
-
 6 C091-31S006-100-2
C091-31S006-200-2
-
 7 C091-31S007-100-2
-
 -
 7* C091-31S107-100-2
-
C091-11S107-000-2
 8 C091-31S008-100-2
C091-31S008-200-2
-
 12 C091-31N012-100-2
C091-31S012-200-2
-
 14  - C091-31S014-200-2 -
*DIN 45 329に準じたコンタクト仕様。IEC 60130-9に準じたコンタクト仕様。

アクセサリ


Amphenol-Tuchelには、C091Dシリーズコネクタならびに互換デバイスで使用できるアクセサリとツールがあります。用例には、保護カバー、リングナット、バックシェルがあります。


製品リストを表示

製品の画像 部品番号 説明

Amphenol-Tuchel C091Dアクセサリ

オスケーブルコネクタ用
C091 00U000 120 2 - L = 85 mm

オスレセプタクル用
C091 00U000 130 2 - L = 60 mm

C091 00U000 131 2 - L = 100 mm

オスケーブルコネクタおよびオスレセプタクル用の保護カバーです。

コンタクト抵抗: DIN EN 60512-2-1、Test 2a / IEC 60512-2-1、Test 2a

Amphenol-Tuchel C091Dアクセサリ メスケーブルコネクタ用
C091-00V000-120-2 - L = 85 mm

メスレセプタクル用
C091 00V000 130 2 - L = 60 mm

C091-00V000-131-2 - L = 100 mm

メスケーブルコネクタおよびメスレセプタクル(黄銅ニッケルメッキ)用の保護カバーです。

Amphenol Sineリングナット T13360609 オスおよびメスレセプタクル用のローレットリングナットです。

コンタクト抵抗: DIN EN 60512-2-1、Test 2a / IEC 60512-2-1、Test 2a





  • Amphenol
  • Connectors|Connector-Circular
公開: 2009-06-11 | 更新済み: 2022-10-19