ams OSRAM AS5715リファレンスボード

ams OSRAM AS5715リファレンスボードは、AS5715誘導モータ制御位置センサを迅速に評価するように設計されています。ams OSRAM AS5715リファレンスボードは、組立が完了しており、ターゲット、スペーサー、コネクタ(プラグストリップ)が搭載されています。コネクタには、6ピンプラグストリップが実装されており、電源と出力、I2Cインターフェイスに必要です。

キット内容

  • リファレンスボード:
  • スペーサー
  • ターゲット
  • コネクタ

キットのコンテンツリスト

ams OSRAM AS5715リファレンスボード

ボードのセットアップ

ams OSRAM AS5715リファレンスボード

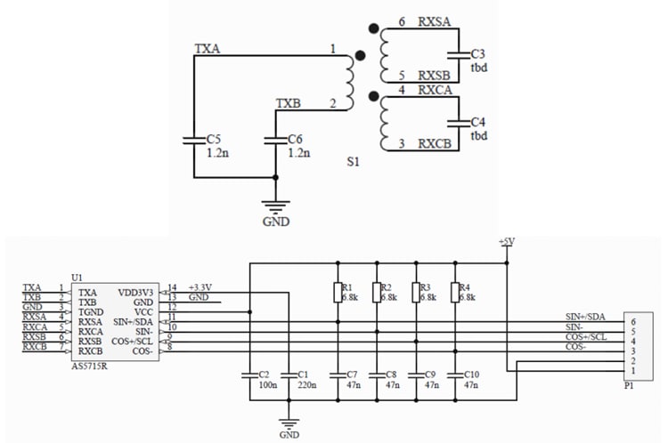
回路図

回路図 - ams OSRAM AS5715リファレンスボード
公開: 2020-02-18 | 更新済み: 2024-03-22