ams OSRAM SPLPL90AT03ラジアル T1 3/4 レーザー ダイオード

ams OSRAMSPLPL90AT03ラジアル T1 3/4 レーザーダイオードは、3Dセンシング、Lidar、および TOFアプリケーションに75Wのピーク電力を提供します。SPL PL90AT03ダイオードは、1ns ~ 100nsの短レーザーパルスに最適です。このデバイスは、排出幅が狭い110nm開口部が特徴です。ams OSRAM SPL PL90AT03ダイオードは、大容量アプリケーションを対象とした費用対効果の高いプラスチックパッケージに格納されています。

特徴

  • 905nmレーザー波長
  • 110nm開口サイズ
  • 1ns~100nsの短波長レーザーに対応
  • 大容量アプリケーションのためのコスト効率の高いプラスチックパッケージ
  • 75Wのピーク電力

アプリケーション

  • 3Dセンシング
  • アクセス制御とセキュリティ
  • 家電製品とツール
  • ファクトリーオートメーション
  • 家庭・ビル用オートメーション
  • ロボット工学

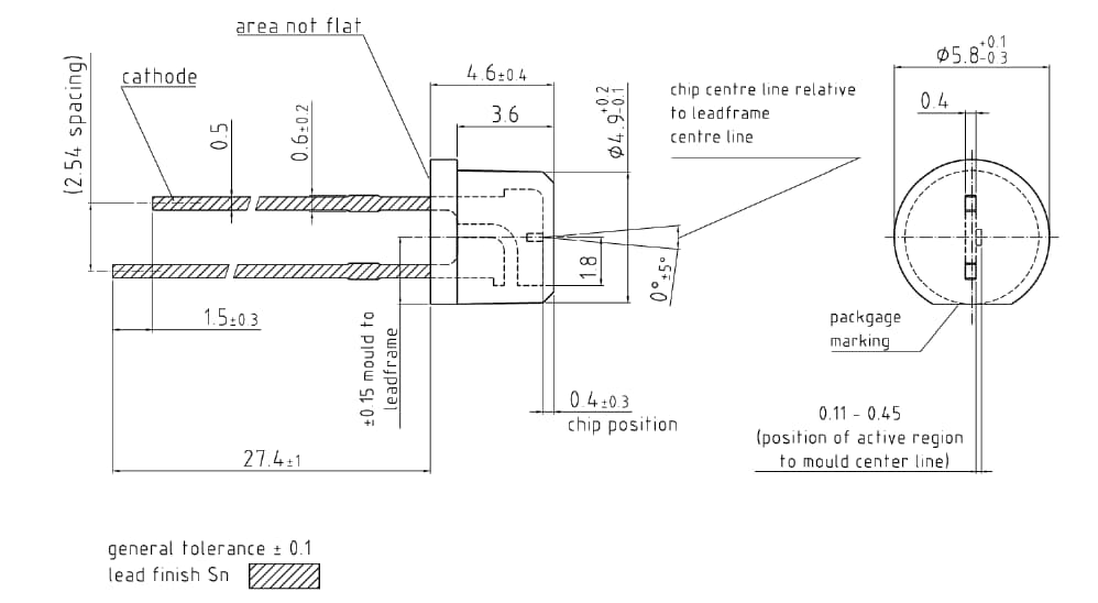
寸法(mm)

機械図面 - ams OSRAM SPLPL90AT03ラジアル T1 3/4 レーザー ダイオード

ビデオ

公開: 2023-03-20 | 更新済み: 2023-08-31