LT8708-1レギュレータ・コントローラは、LT8708コントローラと並列接続してLT8708システムに電力と位相を追加できます。これらのレギュレータは、常にマスタLT8708のスレーブとして動作し、マスタと同量の電流または電力を供給できます。LT8708xコントローラは、バッテリ/コンデンサ・バックアップ・システムならびにVOUT、VIN、IOUT、および/またはIIN。の安定化が必要になる場合がある他のアプリケーションでの双方向電力変換を簡素化します。一般的なアプリケーションには、高電圧バックブースト・コンバータ、双方向充電システム、車載用48Vシステムがあります。
特徴
- 80V双方向機能
- VINは、VOUT以上、未満、または同等の場合あり
- 独立した6つの安定化形態:
- VIN電流(順方向と逆方向)
- VOUT電流(順方向と逆方向)
- VINおよびVOUT電圧
- あらゆる方向への電力フロー
- 同電圧デュアル・バッテリ車載アプリケーションでの冗長に最適
- 同期整流で最高99%までの効率性
- 大容量バッテリに最適
- 順方向と逆方向の不連続導通モードに対応
- スイッチング中のMODEおよびDIRピンの変更をサポート
- 2.8V~80V VINCHIP範囲
- 1.3V~80V VOUT範囲
- スーパーコンデンサとの併用も可能
- 40リード(5mm x 8mm)QFNで利用可能(高電圧ピン間隔)
アプリケーション
- 高電圧バックブースト・コンバータ
- 双方向充電システム
- 車載用48Vシステム
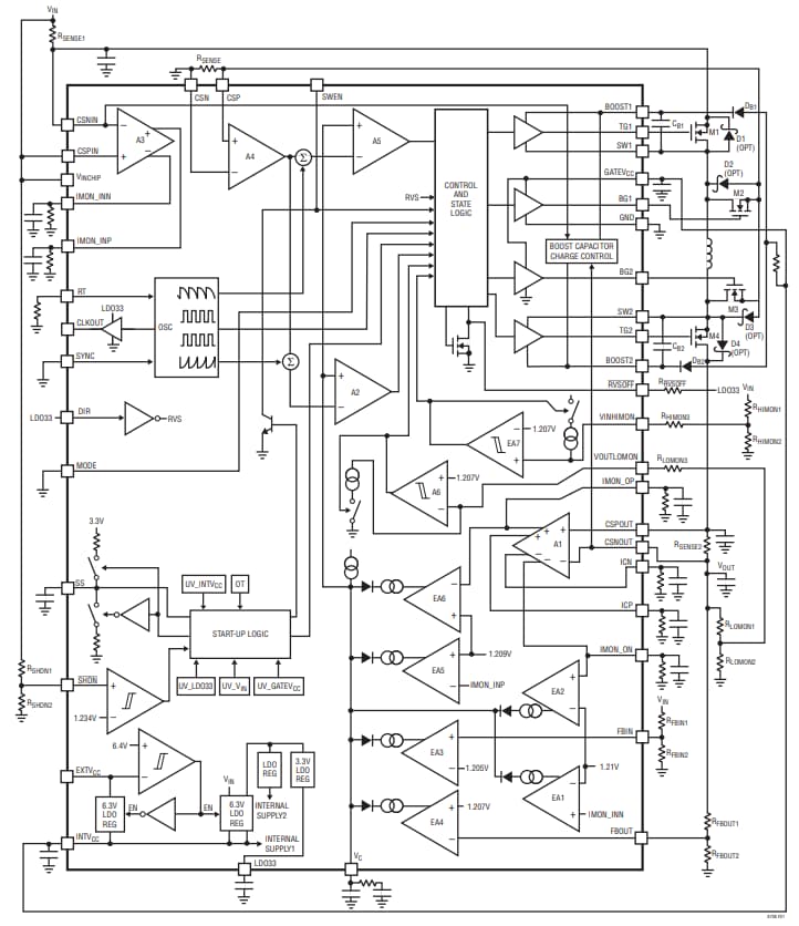
ブロック図
標準アプリケーション回路
ビデオ
公開: 2019-01-07
| 更新済み: 2023-07-27

