Analog Devices Inc. AD8410ARx評価用ボード
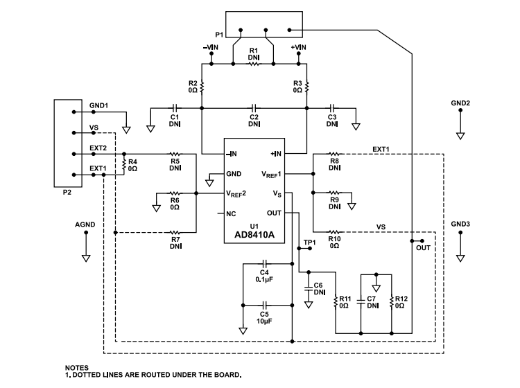
Analog Devices Inc. AD8410ARx評価ボードは、AD8410A電流センスアンプの性能評価を目的としたプラットフォームです。これらのボードは、さまざまな動作モードの簡単な構成を目的に設計されており、負荷による柔軟性が可能です。最大標準サイズ2818のシャント抵抗器(1R)は、ボードにはんだ付けできます。AD8410AR-EVALZボードは、AD8410Aに対応しており、標準の小型外形パッケージ(SOIC _ N)に収められています。AD8410ARM-EVALZは、ミニ小型外形パッケージ(MSOP)に収められたAD8410Aに対応しています。特徴
- 迅速なブレッドボードとプロトタイピングが可能
- 単方向または双方向動作を簡単に構成可能
- 電流検出シャント抵抗のプロビジョニングを含む
- 試験装置への簡単な接続
- 入力フィルタと出力フィルタのプロビジョニングを含む
- デカップリング電源ライン
回路図
概要
公開: 2023-03-31
| 更新済み: 2025-01-27
