Analog Devices Inc. AD8411ARx評価用ボード
Analog Devices AD8411ARx評価ボードは、AD8411A電流検出アンプの機能評価に使用されます。Analog Devices AD8411AR-EVALZおよびAD8411ARM-EVALZは、使いやすい設計になっており、さまざまな動作モードで簡単に構成できます。このボードは、多数の負荷要件に適合し、最大2818の標準サイズのシャント抵抗(1R)を統合することで比類のない柔軟性を発揮します。AD8411AR-EVALZは、スモールアウトライン集積回路(SOIC)に収められたAD8411Aに対応しており、AD8411ARM-EVALZは、ミニ・スモール・アウトライン・パッケージ(MSOP)に収められたAD8411Aに対応しています。特徴
- 素早いブレッドボード作成とプロトタイピングが可能
- 単方向または双方向動作に対する設定が容易
- 電流検出用シャント抵抗器の提供を含みます。
- 試験装置への接続が容易
- 入力フィルターと出力フィルターの提供を含みます
- デカップリングされた電源ライン
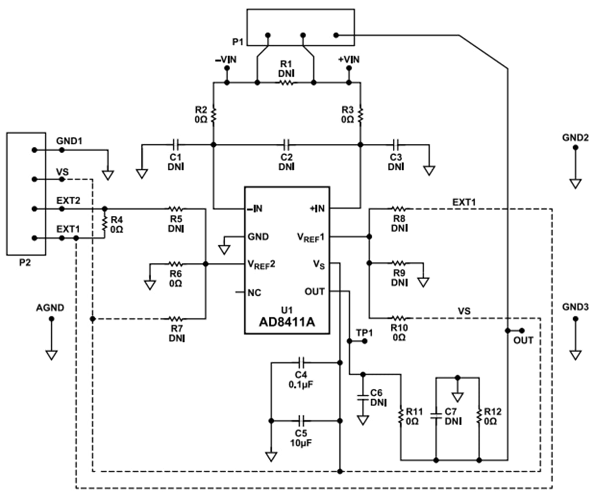
回路図
概要
公開: 2023-06-28
| 更新済み: 2023-08-25
