ADI AD8412ARM-EVALZボードは、小型外形パッケージ(MSOP)に収められたAD8412Aに対応しています。
特徴
- 迅速なブレッドボードとプロトタイピングが可能
- 単方向または双方向動作を簡単に構成可能
- 電流検出シャント抵抗のプロビジョニングを含む
- 試験装置への簡単な接続
- 入力フィルタと出力フィルタのプロビジョニングを含む
- デカップリング済の供給線
アプリケーション
- 同相または高圧側電流センシング:
- BLDCモーター、低インダクタンスモータでのモーター制御
- 双方向48V ~12V DC/DCコンバータ
- ソレノイド制御
- 電源レールの監視
- 低圧側電流センシング
レイアウト
端子台への接続
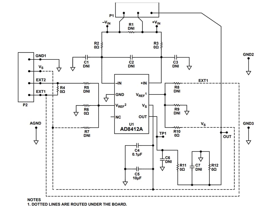
回路図
公開: 2025-03-14
| 更新済み: 2025-03-18

