Analog Devices Inc. AD917x 16ビットデジタル・アナログ・コンバータ
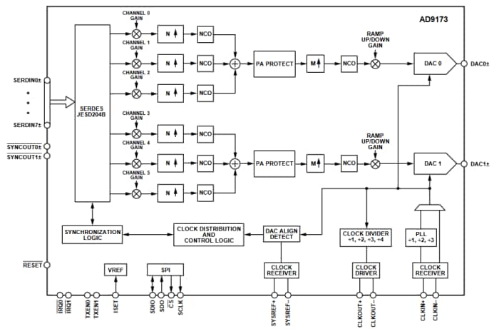
Analog Devices AD917x 16ビットデジタル・アナログ・コンバータ(DAC)は、最大12.6GSPSのDACのサンプルレートをサポートしているデュアル高性能コンバータです。AD917xコンバータは、8レーン、15Gbps JESD204Bデータ入力ポート、高性能、オンチップDACクロックマルチプレクサが特徴です。また、シングルバンドおよびマルチバンド直接-無線周波数(RF)ワイヤレスアプリケーションをターゲットとしたデジタル信号処理機能も搭載されています。AD917x DACには、RF DAC当たり3つの複合データ入力チャンネルが搭載されており、パイパス可能です。各データ入力チャンネルには、設定可能なゲイン段、補間フィルタ、柔軟性に富んだマルチバンド周波数計画用のチャネル数値制御発振器(NCO)が搭載されています。特徴
- マルチバンド・ワイヤレスアプリケーションをサポート
- 3バイパス可能、RF DAC当たりの複雑なデータ入力チャネル
- 入力チャネルあたり最大1.54GSPSの複雑な入力データレート
- 入力チャンネル当たり1個の独立したNCO
- 独自の低スプリアスおよび歪み設計
- 2トーン相互変調歪み(IMD)= −83dBc @ 1.8GHz、-7dBFS/トーンRF出力
- スプリアスフリー・ダイナミックレンジ(SFDR)<−80dBc @ 1.8GHz、-7dBFS RF出力
- 柔軟性に富んだ8レーン、15.4Gbps JESD204Bインターフェイス
- シングルバンドとマルチバンド使用事例をサポート
- 増大するデータスループットのための12ビット高密度モードをサポート
- 入力データレートの完全セットを対象としたセレクタブル補間フィルタ
- 1×、2×、3×、4×、6×、8×の設定可能データチャンネル補間
- 1×、2×、4×、6×、8×、12の設定可能な最終補間
- マルチチップの同期
- JESD204B Subclass 1をサポート
- 最大6GHzまでの周波数合成をサポートするDACレートで動作する最終48ビットNCO
- 送信イネーブル機能によって、消費電力とダウンストリーム回路保護をさらに削減
- 高性能、低ノイズのPLLクロック逓倍器
- 12.6GSPS DAC更新レートをサポート
- 選択可能な分周比が備わった観測ADCクロックドライバ
- 低消費電力
- 12GSPSで2.55W、デュアルチャネルモード
- 10×10mm、金属、放熱蓋付き144ボールBGA_ED、0.80mmピッチ
アプリケーション
- 通信無線インフラストラクチャ
- マルチバンド基地局無線機
- マイクロ波/Eバンドバックホールシステム
- 計器、自動試験装置(ATE)
- レーダー、ジャマー
公開: 2018-03-26
| 更新済み: 2023-01-25
