ADI ADA4098-1/-2 Over-The-Top入力段には、不正な環境を対象とした堅牢な入力保護機能があります。この入力は、DC精度に損傷や劣化を与えることなく、最高80Vまでの差動電圧に対する耐性を発揮します。動作コモンモード入力範囲は、レール・ツー・レールおよびそれ以上、最大70V >–VSまで拡張されており、+ VS電源の影響を受けません。
ADA4098-1/-2は、ユニティゲインで安定しており、最大20mAを必要とする負荷を駆動できます。このオペアンプは、最大200pFの容量性負荷もさらに駆動します。このデバイスは、低消費電力シャットダウンで使用できます。
ADA4098-1は、標準の6リード薄型小型外形トランジスタ(TSOT)パッケージでご用意があります。ADA4098-2は、8リード標準小型外形(SOIC_N)パッケージ、8リードmini小型外形パッケージ(MSOP)、10リード・リードフレームチップスケールパッケージ(LFCSP)でご用意があります。
特徴
- −VS 0.1V~VS + 70V超ワイド・コモンモード入力範囲
- +3V~+50V(PSRRで±25V)の広い電源電圧範囲
- 165μA(標準)低消費電力供給電流
- 最高低入力オフセット電圧:±30μV
- 低入力オフセット電圧ドリフト:最大±0.5μV/°C(Bグレード)
- 低入力電圧ノイズ
- 6Hz(標準)1/fノイズコーナー
- 0.1Hz~10Hzで標準400nV P-P
- 100Hzで標準17nV/√Hz
- 高速
- FTEST = 2.5kHz GBPで標準1.05MHz
- ΔVOUT = 25Vスルーレートで標準0.85V/μs
- 20μA(最大)低供給電流シャットダウン
- ±700pA最大低入力オフセット電流
- ΔVOUT = 4V大信号電圧ゲインで最小126dB
- CMRR: VCM = −0.1V~+70Vで最小123dB
- PSRR: VSY = +3V~±25Vで最小123dB
- 位相反転のない入力オーバードライブ耐性
- ±4kV HBMおよび±1.25kV FICDM
- −55°C~+150° C(Hグレード)ワイド温度範囲
アプリケーション
- 産業センサコンディショニング
- 供給電流センシング
- バッテリと電源の監視
- 不正環境におけるフロントエンド・アンプ
- 4mA~20mAトランスミッタ
その他の資料
この記事では、アナログ・フロント・エンドにおける過電圧からの
保護をどのようにして、Over-The-Topアンプが産業アプリケーションでの過電圧からの保護を実現できるかを示しています。
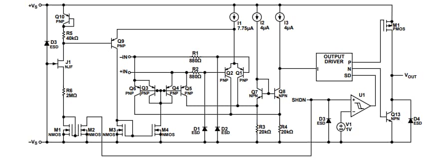
標準アプリケーション回路
簡略図
公開: 2021-08-16
| 更新済み: 2022-04-24

