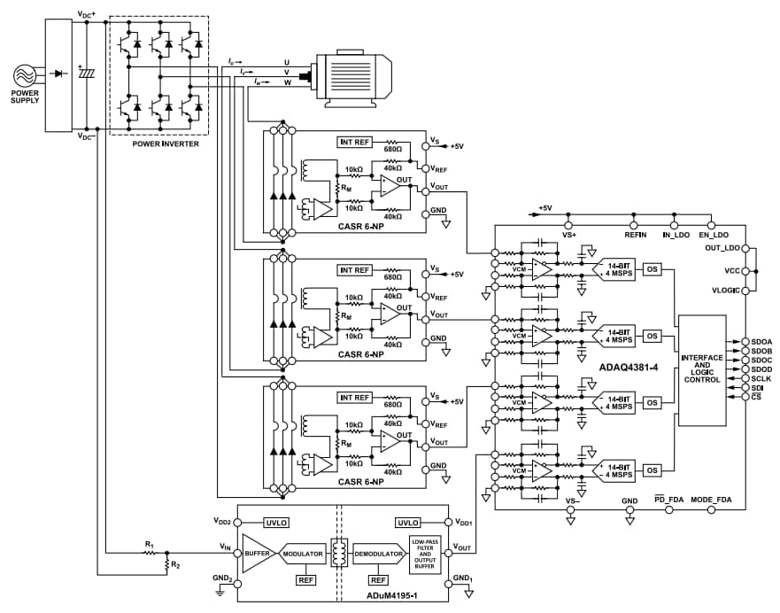
Analog Devices Inc. ADAQ4381-4クワッドチャンネルDAQモジュール
Analog Devices Inc. ADAQ4381-4クアッドチャンネル・データ収集(DAQ)モジュールは、精度と効率のために設計されています。このデバイスには、高解像度14ビット、4MSPS ADC、ADCドライバ、電源管理が単一デバイスに統合されています。SIP技術を使用したADAQ4381-4モジュールは、複数の共通信号処理およびコンディショニングブロックを1つのデバイスに組み合わせることで、エンドシステムの部品数を削減します。このモジュールは、完全差動およびシングルエンド入力に対応しており、さまざまなアプリケーション全体での柔軟性が保証されます。産業オートメーション、医療用画像処理、テスト機器に最適なADAQ4381-4には、高速性能と省スペース統合が組み合わされています。特徴
- 使いやすいμModule® データ収集システム:
- 11xフットプリント削減対ディスクリートソリューション
- 統合重要受動部品
- 5V 単一電源動作
- 14ビットノーミッシングコード保証
- オンチップ・オーバーサンプリング機能
- 2ビットの分解能増強
- 範囲外インジケータ(アラート)
- SNR (標準)
- 85dB(ゲイン= 1、fIN = 1kHz時)
- 92.4dB(OSR = x8)(ゲイン= 1、fIN = 1kHzの場合)
- チャンネル間位相マッチング: fIN = 20kHzで標準0.005°
- 統合高精度リファレンス、3ppm/°C標準ドリフト
- ゲイン誤差: 0.003% typical
- 標準ゲインドリフト:0.8ppm/°C
- VCM生成が備わった統合内部バッファ
- 信号スケーリングを備えた集積完全差動ADCドライバ
- 広い入力コモンモード電圧範囲
- 高コモンモード除去
- シングルエンド/差動変換
- 高速シリアルインターフェイス
アプリケーション
- ラボグレードバッテリ試験システム
- モータ制御電流センス
- モーター制御位置フィードバック
- ソナー
- 電力品質の監視
- データ収集システム
- エルビウムドープ・ファイバ・アンプ(EDFA)要件
- I/Q復調
アプリケーション回路図
公開: 2025-01-27
| 更新済み: 2025-03-14
