Analog Devices Inc. ADE9178エネルギー管理DSP
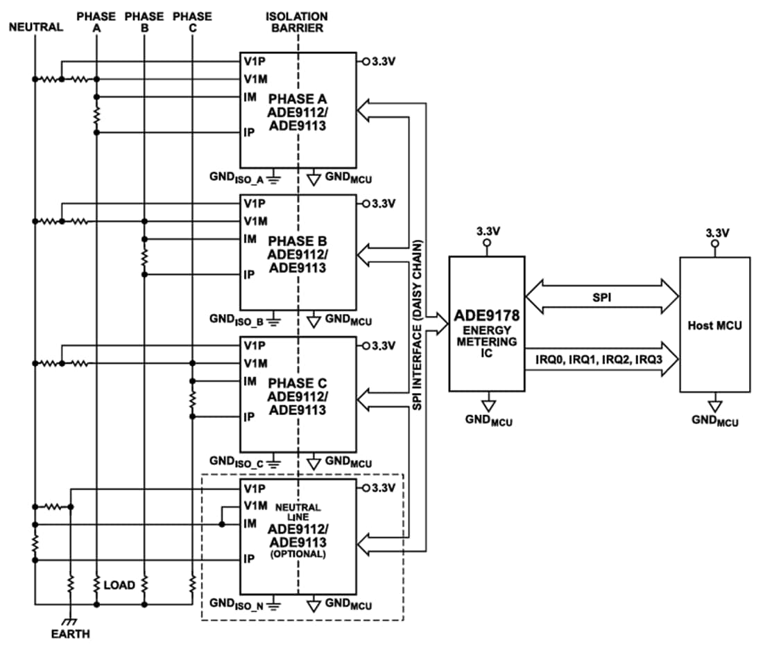
Analog Devices ADE9178エネルギー管理DSPは、ADE9113/ADE9112/ADE9103シグマデルタ・アナログデジタル・コンバータ(ADC)と組み合わせて使用する計測用デジタル信号プロセッサ(DSP)です。ADE9178は、主に電気自動車供給設備(EVSE)市場向けの高精度3相電力量測定ICで、シリアルペリフェラルインタフェイス(SPI)と2つのフレキシブルなパルス出力を備えています。ADE9178は、SPI プロトコルを介して、最大 4 台のデイジーチェーン接続されたADE9113/ADE9112/ADE9103デバイスとインターフェイスできます。ADE9178 には、総有効エネルギー、皮相エネルギー測定、および二乗平均平方根 (RMS) 計算を実行するために必要なすべての信号処理機能が組み込まれています。この信号処理を実行するのが固定関数DSPです。Analog Devices ADE9178は40-leadTQFN-EPパッケージで提供されます。特徴
- 以下のAFEと組み合わせて使用する計測チップです。
- 4 線式 SPI を介して最大 4 つの ADE9113/ADE9112/ADE9103 デイジー チェーン ADC をサポートできます (最大合計 12 の ADC チャネルのデータをサポート)
- 最大25MHzのホストMCU通信用4線SPI
- 総活動エネルギー計算
- クラスCの精度(0.5%)は以下をサポートしています。
- MID2014/32/EUAnnex V
- EN 50470-1:2006
- EN 50470-3:2006
- EN 50470-3:2022
- IEC62052-11:2020
- IEC62053-21:2020
- OIML G 22:2022
- NISTハンドブック442023
- フィルタリングされた実効値による全見かけエネルギーの計算
- 逆電力/車両からグリッドへの (V2G) アプリケーションのためのエネルギー蓄積、輸入、輸出
- すべてのADCチャンネルに対して設定可能な位相、ゲイン、オフセット・キャリブレーション・レジスタ
- 電力品質の基本機能
- 短時間の不足電圧または過電圧(ディップ/スウェル)検出
- 短時間の不足電流または過電流(ディップ/スウェル)検出
- 10mHz精度のライン周波数計算
- 相電圧と相電流の角度
- 力率計算
- 設定可能な2つの校正周波数(CF)パルス出力
- 負荷検出なしの設定も可能
- 位相シーケンス検出
- 全ADCチャンネルのフルサイクル、ハーフサイクル、フィルタリングされたRMS
- 対応周波数範囲45Hz~65Hz
- ユーザープログラム可能な4つの割り込み出力(IRQ)
- PENオープン故障検出(BS 7671:2018 修正1:2020)
- UART送信ピンを介した波形ストリーミング
- 任意のADCデータを任意のデータ処理パスに使用できるデータパス・マルチプレクシング
- 温度範囲:-40°C ~ +105°C
- 5mm×5mm,40リードTQFN-EP パッケージで利用可能
アプリケーション
- 電気自動車の供給装置
- シャントベースの多相用電力メーター
- ソーラーインバータ
- エネルギーと電力のモニタリング
代表的なアプリケーション回路
公開: 2024-11-08
| 更新済み: 2024-11-18
