Analog Devices Inc. ADES175x高電圧データ収集システム
Analog Devices Inc. ADES175x 高電圧データ収集システムは、低電圧・高電圧バッテリモジュールの管理を目的とした柔軟性に富んだシステムです。これらのシステムは、162μsでの冗長測定エンジンを用いて、14のセル電圧と6つの温度またはシステム電圧の組み合わせを測定します。ADES175xシステムは、アナログデジタルコンバータ(ADC)測定エンジン99μsですべての入力を実行できます。これらのシステムは、バッテリ管理UARTプロトコルを使用して堅牢な通信を実現するとともに、外部デバイスの制御用にI2Cコントローラ・インターフェイスをサポートします。ADES175xシステムには、過電圧、低電圧、過温度、不足温度障害といった個別に構成できる安全アラートが搭載されています。これらのシステムは、65V最高電源電圧および-40°C ~ 105°C温度範囲で動作します。ADES175xシステムは、EV充電、バッテリ駆動ツール、スーパーコンデンサシステム、高電圧バッテリスタック、住宅用バッテリストレージシステムで使用されています。
特徴
- 冗長ADCとコンパレータ(COMP)の取得
- 同時セルとバスバー電圧の取得
- 14つのセル電圧測定チャンネル:
- 2.2mV/5mV/10mV精度(-40°C ~ 105°C)
- 1.8mV精度(5°C ~ 65°C)
- 14のセルバランシングスイッチ
- >300mAソフトウェアプログラマブル・バランシング電流
- セル電圧による自動バランシング
- 個々のセルタイマとの自動バランシング
- 緊急放電モード
- バッテリマネジメントUARTプロトコル
- より高いガルバニック絶縁のための誘導性
- 最大2Mbpsボーレート(自動検出)
- デバイスあたり1.5μs伝播遅延
- デバイス32台までのデイジーチェーン接続
- パケットエラーチェック (PEC)
- 温度、電圧、またはGPIOのに合わせて構成できる6通りの補助入力
- 集積ダイ温度測定
- 外部保護なしのホットプラグ耐性
- UARTおよびデュアルUARTインターフェイス
- I2Cコントローラ
- 32ビット一意デバイスID
- 安全アラートを個別に設定可能
- 1セル不整合アラート
- 過電圧および不足温度障害
- 低電圧および温度過昇障害
- 65V最高電源電圧
- 超低消費電力動作
アプリケーション
- バッテリーバックアップシステム(UPS)
- 高電圧バッテリスタック
- 住宅用バッテリストレージシステム
- スーパーコンデンサシステム
- バッテリ駆動ツール
- EV充電
ビデオ
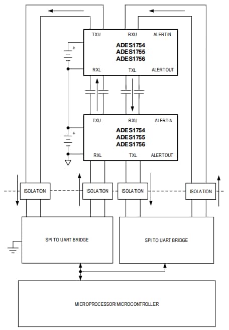
標準的なアプリケーション図
公開: 2024-02-07
| 更新済み: 2024-08-30
