ADIのADHV4710は、高電圧信号チェーン向けに豊富な設定機能を提供します。このアンプは、高いゲインで高いスルーレートと帯域幅を実現しますが、低ゲインに設定することで、高電圧入力および出力にも対応可能です。外付けのトランスコンダクタンス抵抗RSLEW により、すべてのゲインで安定性を確保し、スルーレートの調整を可能にします。外付けの補償コンデンサCCOMP により、アンプ出力は無制限の容量性負荷を安定して駆動できます。
特徴
- 高出力機能
- 出力電圧範囲:最大±52V(IOUT = ±100mA時)
- ±1A連続高出力電流ドライブ
- 1nF負荷への±1300V/µsの高スルーレート
- プログラム可能なデジタル電流、電圧、サーマルシャットダウン制限による障害保護と監視
- デザインイン(設計への組み込み)が容易
- 80ピン、12mm x 12mm TQFPパッケージ
- 実装可能なヒートシンク用のEPADアップ・パッケージ
- 80ピン、12mm x 12mm TQFPパッケージ
- ±12V〜±55Vのワイドな高電圧供給範囲
- 低自己消費電流:12mA
- 豊富な構成可能性
- 外部補償と出力スルー制限による無制限の容量負荷安定性
- 外付けトランスコンダクタンス抵抗RSLEW により、すべてのゲインで安定性を保ち、スルーレートを調整可能
- シャットダウンモードが備わったプログラム可能な電源電流
- 動作温度範囲:-40°C~+85°C
アプリケーション
- 高電圧パワーアンプ(PA)
- 高電圧SMU/VIソース
- 高電圧不定波形ジェネレータ(AWG)
- 圧電トランスデューサドライブ
- プログラム可能な電源
大信号パルス応答
簡略機能ブロック図
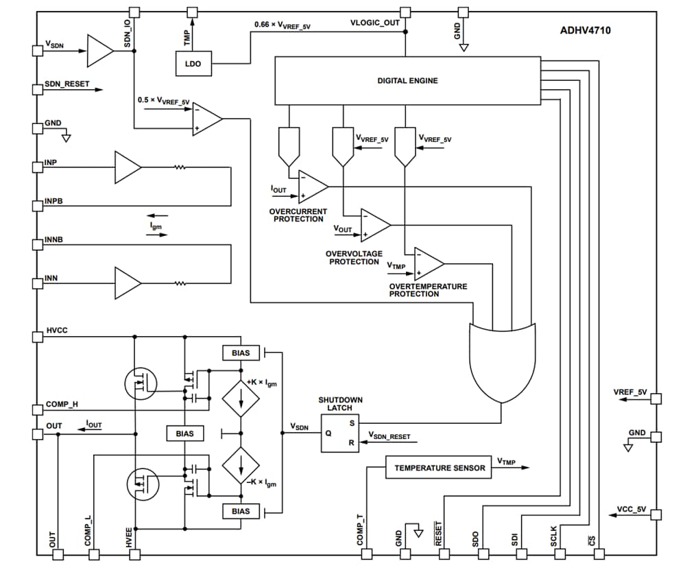
機能ブロック図
公開: 2025-05-02
| 更新済み: 2025-05-26

