Analog Devices Inc. ADL6012-EVALZ評価ボード
Analog Devices Inc. ADL6012-EVALZ評価ボードは、ADL6012 2GHZ~67GHzブロードバンドエンベロープ検出器を対象としたデモおよび開発プラットフォームです。 ADL6012には、入力電力レベルに応じて約1nsの高速立ち上がり時間と立ち下がり時間応答があり、出力エンベロープ帯域幅は500MHzです。ADL6012-EVALZは、RF入力信号とエンベロープ出力電圧のための基本的な接続を実現しています。ADL6012-EVALZでの差動エンベロープ出力をハイスピード・オシロスコープに直接接続し、差動エンベロープ追跡機能を評価できます。特徴
- ADL6012用のフル機能搭載の評価ボード
- 67GHzまでに指定済
- 3.15V~5.25V動作
- SMAコネクタ(RF IN、VEH+、VEH-用)
アプリケーション
- 包絡線のトラッキング
- マイクロ波ポイント・ツー・ポイント・リンク
- 電子レンジ機器
- 軍事無線
- パルスレーダーレシーバ
- ワイドバンド・パワーアンプ線形化
必要な機器
- 67GHzまでのアナログ信号発生器
- ハイスピード・オシロスコープ
- DC電圧計
- 5V 電源
- 差動プローブ
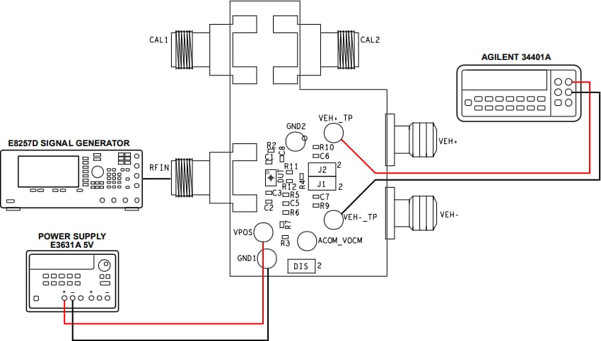
標準のDC計測設定
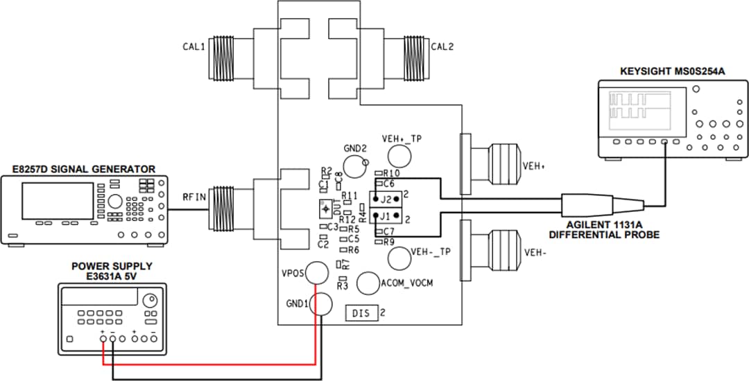
エンベロープ測定
差動エンベロープ出力
公開: 2020-07-06
| 更新済み: 2024-10-18
