ADI ADL8102-EVALZには、-40°C ~ +85°Cの総動作温度範囲での使用に最適なコンポーネントがあります。
特徴
- 2層 Rogers 4350B評価ボード
- エンドローンチ2.9mm RFコネクタ
- 較正パスを使用(未インストール)
アプリケーション
- 電気通信
- 衛星通信
- 防衛用レーダー
- 天気レーダー
- 民生用レーダー
- 電子戦
必要な機器
- RF信号発生器
- RFスペクトラム解析器
- RFネットワーク解析器
- 電源 5V、500mA
レイアウト
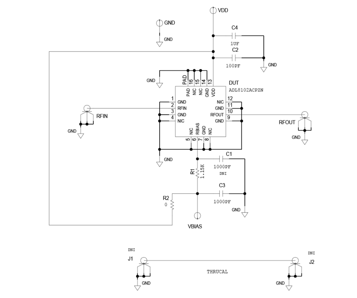
回路図
公開: 2023-12-18
| 更新済み: 2024-01-30

