Analog Devices Inc. ADL8111-EVALZ評価ボード

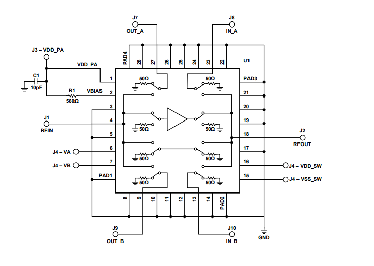
Analog Devices Inc. ADL8111-EVALZ評価ボードは、ADL8111アンプを評価するように設計されています。ADL8111 10MHz~8GHzバイパスアンプには、四投 (SP4T) 非反射スイッチが集積されており、複数のゲインと直線性の値を実現しています。ADL8111-EVALZ評価ボードは、コンポーネントが完全に搭載されています。このボードは、50Ω特性インピーダンスをともなう信号線が特徴です。上部と下部の接地面に接続するために十分な数の穴があります。

フロントとバックのレイアウト

Analog Devices Inc. ADL8111-EVALZ評価ボード

PCBレイアウト

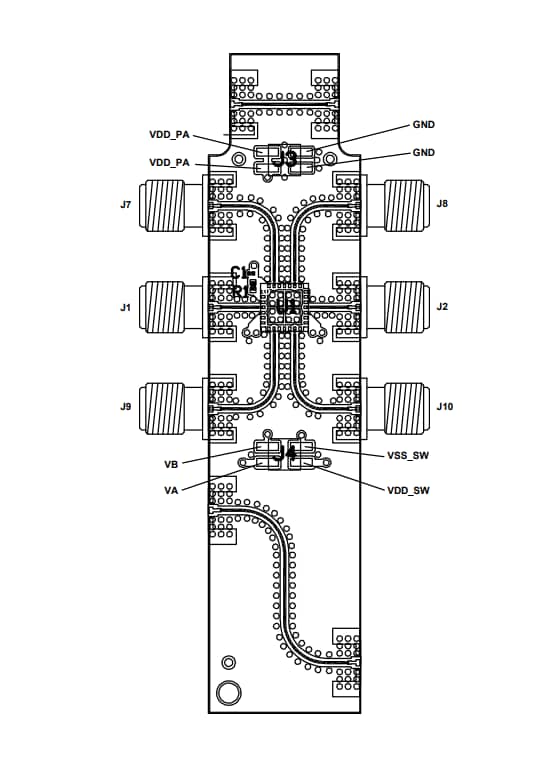
機械図面 - Analog Devices Inc. ADL8111-EVALZ評価ボード

回路図

回路図 - Analog Devices Inc. ADL8111-EVALZ評価ボード
公開: 2019-07-10 | 更新済み: 2024-03-06