Analog Devices Inc. ADM4853 RS-485/RS-422トランシーバ
Analog Devices ADM4853 RS-485/RS-422トランシーバは差動ライントランシーバで、マルチポイントバス伝送ライン上での高速ハーフデュプレックスおよびフルデュプレックスデータ通信用に設計されています。 トランシーバは、平衡データ伝送を実現しており、EIA規格RS-485およびRS-422に準拠しています。 このハーフデュプレックストランシーバは、差動ラインを共有し、ドライバとレシーバのイネーブル入力を別々にしています。 トランシーバは、1/8ユニット負荷レシーバ入力インピーダンスを実現しています。 これによって、単一のバス上に最大256のトランシーバが可能になります。 指定された時間で有効になっているドライバは1つだけです。 無効または電源ダウンドライバの出力は、バスの過負荷を避けるために3つの状態になっています。 レシーバ入力には、真のフェイルセーフ機能が備わっています。 フェイルセーフ機能によって、入力が短絡またはオープンの際に、論理高出力レベルが保証されます。 これによって、レシーバ出力は、通信が開始される前および通信が終了する前の既知の状態にあることが保証されます。 ドライバ出力は、不適切に終端バスからの反射によって引き起こされるMEIとデータエラーを削減するために、スルーレート制限されています。 熱シャットダウン回路は、バスの競合や出力の短絡に起因する過度の電力消費を防止します。The disabled or powered down driver's output is three-stated to avoid overloading the bus. The receiver inputs include a true fail-safe feature. The fail-safe feature ensures a logic high output level when the inputs are shorted or open. This guarantees that the receiver outputs are in a known state before communication begins and when communication ends. The driver outputs are slew-rate limited to reduce EMI and data errors caused by reflections from improperly terminated buses. A thermal shutdown circuit prevents excessive power dissipation caused by bus contention or by output shorting.
特徴
- Electronics industries alliance (EIA) RS-485/RS-422 compliant
- Data rate: 10Mbps
- Half-duplex and full-duplex options
- Reduced slew rates for low electromagnetic interference (EMI)
- True fail-safe receiver inputs
- 5μA (maximum) supply current in shutdown mode
- Up to 256 transceivers on one bus
- Outputs high-Z when disabled or powered off
- -7V to +12V bus common-mode range
- Thermal shutdown and short-circuit protection
- Specified over the -40°C to +85°C temperature range
- Qualified for automotive applications
アプリケーション
- Low power RS-485 applications
- EMI sensitive systems
- DTE to DCE interfaces
- Industrial control
- Packet switching
- Local area networks
- Level translators
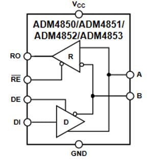
Functional Block Diagram
公開: 2016-10-31
| 更新済み: 2022-03-11
