Analog Devices Inc. ADP1034マイクロパワー管理装置(PMU)
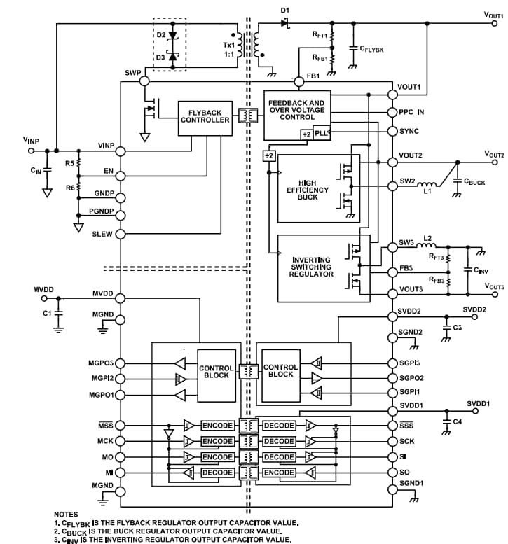
Analog Devices Inc. ADP1034マイクロパワー管理装置(PMU)は、絶縁型フライバックDC-DCレギュレーター、バックブースト、降圧型DC-DCレギュレーターを組み合わせた高性能の絶縁型PMUです。ADP1034 PMUには、4つの高速シリアル・ペリフェラル・インターフェイス(SPI)絶縁チャネルと、チャネル間アプリケーション用の3つの汎用アイソレータがあります。このPMUは、4.5V~60Vの広い入力供給電圧範囲で動作します。ADP1034 PMUには、2.61W出力電力で86%の標準効率が備わっています。このPMUには、高速、低伝搬遅延、SPI信号絶縁チャンネルが備わっています。アプリケーションには、工業オートメーションとプロセス制御、計装機器とデータアクイジションシステム、およびデータと電力の分離が含まれます。特徴
- 4.5V ~ 60Vのワイド入力供給電圧範囲
- 集積フライバック電源スイッチ
- 絶縁された独立したレジスタプログラマブルバイポーラ出力、および工場出荷時にプログラミングできるバック出力を生成:
- 6V ~28V VOUT1
- 5V VOUT2
- -24V~-2V VOUT3
- 2.61W出力電力で標準効率86%
- シリアルコマンドを介してVOUT1 を調整するためのプログラマブル電力制御ピン(PPC _ IN)
- 1:1の比率のトランスを使用し、トランス設計を簡素化
- SYNC入力を使用して調整できるスイッチング周波数
- ピーク電流制限と過電圧保護
- 1台のレギュレータごとの内部補償とソフト起動制御
- 高精度イネーブル入力
- 高速、低伝搬遅延、SPI信号絶縁チャンネル
- 3つの100kbps汎用絶縁データチャンネル
- 全体的な小型ソリューションサイズが実現する41リード、9mm × 7mm LFCSPフォームファクタ
- -40°C~125°C動作接合部温度範囲
- 安全および規制に関わる承認(申請中)
- CISPR11 Class B放射放出
- UL認証: 2,500Vrms で1分間(UL 1577による)
- CSA部品受け入れ通知書5A:
- スレーブ、マスタ、フィールド電力ドメイン間の300Vrms 基本絶縁(IEC 61010-1、申請中)
- VDE適合証明:
- DIN VDE 0884-10 (VDE 0884-10): 2006-12
- VIORM = 565Vピーク
アプリケーション
- 産業オートメーションおよびプロセス制御
- 計装機器とデータアクイジションシステム
- データおよび電源絶縁
標準アプリケーションの回路図
ブロック図
公開: 2022-06-08
| 更新済み: 2025-03-10
