Analog Devices Inc. ADP2450パワーマネジメントIC
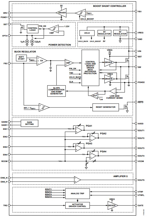
Analog Devices ADP2450パワーマネジメントICは、形成されたケース回路ブレーカ(MCCB)、および電流トランス駆動供給アプリケーションなどの低電圧回路ブレーカのために最適化されています。このデバイスには、4つの低オフセット・低消費電力アンプが統合されています。ADP2450のプログラマブルゲイン機能は、CTターン比に基づいた広い電流入力範囲全体での高精度計測を実現しています。漏洩電流の検出用に低オフセット動作アンプが統合されています。バックレギュレータは、4.5V~36Vの広い入力電圧範囲で動作します。出力電圧は、最低0.6Vまで調整できます。また、最大500mAの出力電流を実現しています。特徴
- ブーストシャントコントローラ
- 統合ブーストシャントドライバ
- プログラマブル電力検出閾値
- バックレギュレータ
- 4.5V~36Vの範囲で調整できる出力電圧
- 4.5V~36V入力電圧範囲
- 500mAの連続出力電流
- 1.35mA動作供給電流
- 3.3V、5V固定出力オプション
- 1.2 MHz固定スイッチング周波数
- 最低0.6Vまで調節可能な出力電圧
- 電圧監視およびオープンドレインRESET出力
- プログラマブル・ゲインアンプ4台
- 低消費電力
- プログラマブルゲインおよび出力DCコモンモード電圧
- 漏洩および接地故障電流検出用の低オフセット動作アンプ
- プログラマブルトリップ閾値が備わっているアナログトリップ回路
- アクチュエータドライバ出力
- 32リードLFCSPまたは48リードLQFPパッケージでご用意があります。
- 接合部温度範囲: -40°C~+125°C
アプリケーション
- 低電圧回路ブレーカ
- CT駆動電源
標準アプリケーション回路
ブロック図
Power By Linear
公開: 2019-07-22
| 更新済み: 2024-03-01
