Analog Devices ADP5054クアッド降圧型レギュレータ用統合型電源ソリューション

Analog Devices ADP5054クワッド降圧型
レギュレータ用統合型電源ソリューション

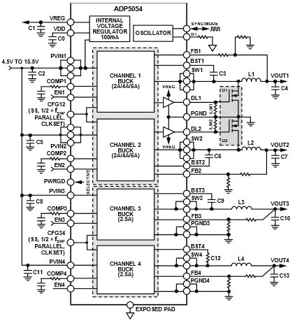
Analog Devices ADP5054クアッド降圧型レギュレータ用統合型電源ソリューションは、48ピンLFCSPパッケージに4つの高性能降圧型レギュレータを組み込んでいます。ADP5054は、要求の厳しい性能と広範なスペース要件を満たしています。前段レギュレータなしで、最大15Vの高入力電圧に対する直接接続を実現しています。

チャンネル1とチャンネル2 は、ハイサイドパワーMOSFETとローサイドMOSFETドライバを内蔵しています。外付けのNFETは、効率最適化ソリューションを達成するローサイドのパワーデバイスに使用でき、2A、4A、6Aのプログラム可能な出力電流を提供します。チャンネル1とチャンネル2をパラレル構成で組み合わせることで、最大電流12Aまでのシングル出力を提供します。

チャンネル3とチャンネル4は、ハイサイドとローサイドの両方のMOSFETを内蔵し、2.5A の出力電流を供給します。チャンネル3とチャンネル4をパラレル構成で組み合わせると、最大電流5Aまでのシングル出力を実現しています。

250kHz~2MHzの外部クロックに対するADP5054の切替周波数をプログラムまたは同期させる設計が可能です。各チャンネル用に、個々の1/2x周波数の設定が可能です。各チャネルのイネーブルピンは個々の精度で開発されており、ADP5054は、簡単なパワーアップシーケンスを提供しています。内部の低1/ fノイズ基準は、ノイズに敏感なアプリケーション用のADP5054に実装されています。

The ADP5054クアッド降圧型レギュレータ用統合型電源ソリューションは、FPGAとプロセッサアプリケーション、スモールセル用基地局、セキュリティおよび監視、医療用アプリケーションに理想的です。

特徴
  • 広い入力電圧範囲: 4.5V~15V
  • 全温度範囲で±1.5%の出力精度
  • 個々の1/2x周波数オプションを備えた250kHz~2MHzの調節可能切替周波数
  • パワーレギュレーション
    • チャンネル1とチャンネル2:ローサイドFETドライバを備えたプログラマブル2A/4A/6A同期式降圧レギュレータ
    • チャンネル3とチャンネル4: 2.5A同期式降圧レギュレータ
  • 柔軟性の高い並列動作
    • 12Aの単電源出力(チャンネル1とチャンネル2のパラレル動作)
    • 5Aの単電源出力(チャンネル3とチャンネル4のパラレル動作)
  • 1/f低ノイズ密度(~40µVrms @ 0.8VREF 10Hz~100KHz)
  • 0.8V精度スレッショルドによる高精度イネーブル
  • アクティブ出力放電スイッチ
  • FPWM/PSMモード選択
  • 周波数同期入力または出力
  • チャンネル1出力向け電源正常フラグ
  • UVLO、OCP、TSD保護
  • 48ピン、7mm × 7mm LFCSP
  • −40°C~+125°Cの接合部温度範囲
アプリケーション
  • FPGAおよびプロセッサアプリケーション
  • スモールセル用基地局
  • 警備/防犯装置
  • 医療用アプリケーション

標準アプリケーション回路
標準アプリケーション回路
eNewsに登録する
  • Analog Devices Inc.
公開: 2015-04-23 | 更新済み: 2025-01-28