Analog Devices Inc. ADPA1112-EVALZ評価ボード
Analog Devices ADPA1112-EVALZ評価ボードは、コンパクトで効率的なプラットフォームで、ADPA1112 GaNブロードバンドパワーアンプの性能を評価するように設計されています。厚さ10milのRogers 4,350B銅被覆で製造された2層プリント回路基板(PCB)は、アルミヒートスプレッダに取り付けられています。ヒートスプレッダは、PCBへの熱解放と機械的サポートを実現しています。30MHz ~ 1,200MHzの広い周波数範囲で動作するこのボードは、高い直線性、ゲイン、電力効率を必要とするRFアプリケーションに最適です。Analog Devices ADPA1112-EVALZは、組立とテストが完成しているレイアウトが特徴で、エンジニアは実際の状態でアンプの機能を迅速に評価できます。簡単なRF入出力インターフェイス接続を目的としたSMAコネクタが搭載されており、バイアスと制御電圧用に明瞭なラベルが付いています。堅牢な設計と簡単なセットアップが備わっていて、航空宇宙・防衛システム、通信インフラ、計測機器、SDR(ソフトウェア無線)での使用に最適です。
特徴
- Rogers 4,350B 2層評価ボード(ヒートスプレッダ搭載)
- エンドローンチ2.92mm RFコネクタ
- 較正パスを使用
- 50Ω RFトレース特性インピーダンス
- 50Ω接地コプレーナ導波路
アプリケーション
- 航空宇宙および防衛システム
- 計器
- 通信機器
- SDR(ソフトウェア無線)
- ブロードバンドRF電力増幅
必要な機器
- RF信号発生器
- RFスペクトルアナライザ
- RFネットワーク解析器
- 30V, 3A 電源
- -3V ~ 0V、10mA電源
- 5V, 20mA 電源
リソース
標準的なベンチセットアップと動作接続
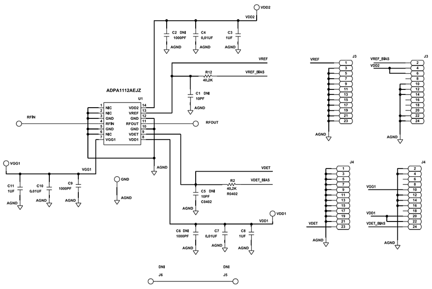
回路図
組立図
公開: 2025-08-01
| 更新済み: 2025-08-18
