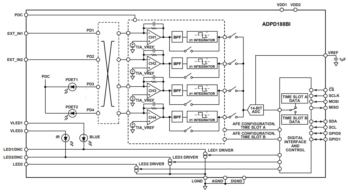
フロントエンドのアプリケーションに特有の集積回路(ASIC)は、制御ブロック、14ビット・アナログ・デジタル・コンバータ(ADC)で構成されており、20ビット・バースト・アキュムレータ、および柔軟性に富んでおり個別に構成可能なLEDドライバ3台が搭載されています。制御回路には、柔軟なLEDシグナリングと同期検出機能が備わっています。このアナログ・フロント・エンド(AFE)は、一般的に周辺光に誘因する変調された干渉に起因する信号オフセットと破損のベストインクラスの除去が特徴です。データ出力と機能構成は、1.8V I2Cインターフェイスまたはシリアル・ペリフェラル・インターフェイス(SPI)ポートで発生します。
特徴
- 統合光学コンポーネントが搭載された3.8×5.0×0.9mmモジュール
- 青色LED 1個、IR LED 1個、フォトダイオード2個
- その他のセンサ用の外部入力(例: COと温度)2つ
- 1サンプル周期あたり20ビットが可能な20ビット・バースト・アキュムレータ
- 3つの370mA LEDドライバ
- データ読取あたり最大27ビットが可能になるオンボードサンプル・アキュムレータ
- 信号が限られた事例向けに最適化されたSNR
- I2CまたはSPI通信
ビデオ
ブロック図
技術記事
- Reducing the False Alarm Rate - How Smoke Alarms Can Pass the Hamburger Nuisance Alarm Test
The newly introduced hamburger nuisance test is very hard to pass because the smoke particles from a burnt hamburger patty do not differ that much from normal smoke. Discover why the integrated optical module for smoke detection is a turning point.
その他の資料
EVAL-ADPD188BI-ALGO - UL/EN Algorithms Software
EVAL-ADPD188BI-DATA - UL/EN Data Set
公開: 2018-08-15
| 更新済み: 2024-08-22

