Analog Devices Inc. ADPD188GG統合光学モジュール
Analog Devices ADPD188GG統合光学モジュールは、周囲光からおよび同期反射発光ダイオード(LED)パルスからの光信号を計測するように設計されている完全測光システムです。同期計測には、ベストインクラスのDCとAC両方の周囲光干渉の除去が備わっています。このモジュールには、高効率測光フロントエンド、LED 2個、フォトダイオード(PD)2台が統合されています。これらすべてのアイテムは、カスタム・パッケージに格納されており、最初に被写体に入ることなく、光がLEDからフォトダイオードに直接進むことを防止できます。特徴
- 3.8mm×5.0mm×0.9mmモジュール(統合光学コンポーネント搭載)
- IRカット・フィルタがある緑色LED 2個、PD 2台
- 外部センサ入力2個
- 370mA LEDドライバ3台
- 1サンプル周期あたり20ビットが可能な20ビット・バースト・アキュムレータ
- データ読取あたり最大27ビットが可能になるオンボードサンプル・アキュムレータ
- ガラス窓の下で作業するためのカスタム光学パッケージ
- 信号が限られた事例向けに最適化されたSNR
- I2CまたはSPI通信
アプリケーション
- 光学心拍監視
- 反射性SpO2計測
- CNIBP計測
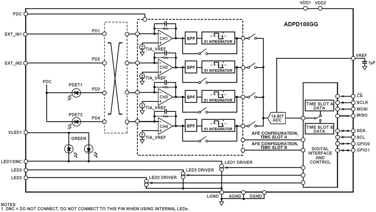
機能ブロック図
ビデオ
公開: 2018-10-08
| 更新済み: 2023-08-29
