ADI ADPL13602は、ピーク電流モード制御アーキテクチャを採用しています。ADPL13602は、強制パルス幅変調(PWM)、または断続コンダクションモード(DCM)での動作が可能で、全負荷および軽負荷の条件下で高効率を実現します。ADPL13602は、高スイッチング周波数とより小型のソリューションサイズを可能にする低最小オン時間を備えています。-40°C~+125°Cでのフィードバック電圧安定化精度は±1.5%です。
特徴
- 外付け部品数および総コストを削減
- ショットキーなし - 同期操作
- 内部補償部品
- オールセラミックコンデンサ、小型レイアウト
- DC/DCレギュレータの在庫数を削減
- 広い入力範囲:3.5V~36V
- 調整可能出力電圧範囲:1V~VIN の最大90%まで
- 全温度範囲で最大2.4Aを供給
- 可変周波数:400kHz~1.5MHz
- 消費電力を低減
- 95%のピーク効率性
- 効率向上のための広範囲な2.4V〜12Vのブートストラップバイアス入力(EXTVCC)
- 過酷な産業環境で信頼性の高い動作
- ヒカップモード過負荷保護
- プリバイアスされた出力電圧による調整可能な単調スタートアップ
- RESETを使用した内蔵出力電圧監視
- 設定可能なEN/UVLOスレッショルド
- 広い産業用周囲動作温度範囲:-40°C~+125°C/ジャンクション温度範囲:-40°C~+150°C
アプリケーション
- 産業制御用電源
- 分散電源安定化
- 壁掛け式トランスレギュレーション
- 高電圧、シングルボードシステム
アプリケーション概略図
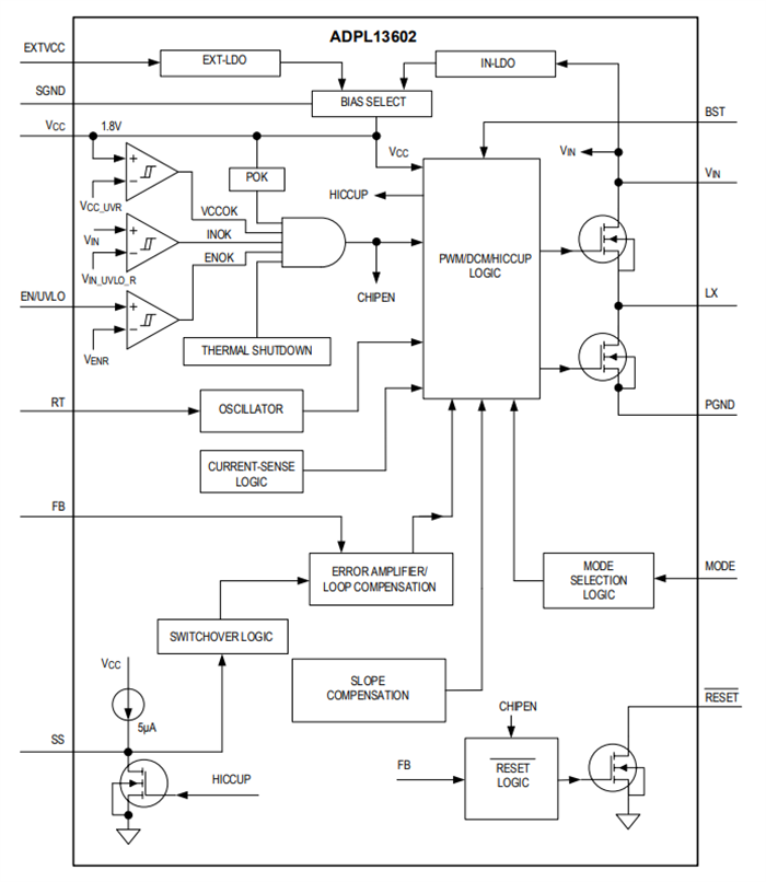
ブロック図
公開: 2024-02-26
| 更新済み: 2025-05-15

