ADI ADRF5043には、+3.3Vおよび-3.3Vのデュアル供給電圧が必要です。また、CMOSおよび低電圧トランジスタをトランジスタロジック(LVTTL)互換制御に採用しています。ADRF5043には、すべてのOFFフ状態とポートミラーリングがそれぞれ備わっている、有効化されたロジック選択制御があります。ADRF5043は、100MHz~44GHzで動作するADRF5042高速スイッチング型式との互換性があります。
ADRF5043シリコン非反射SP4Tスイッチは、24端子、3mm × 3mm、RoHS準拠、ランド・グリッド・アレイ(LGA)パッケージでご用意があり、動作温度は-40°C~+105°Cです。
特徴
- 9kHz~44GHzのウルトラワイドバンド周波数範囲
- 無反射型50Ω設計
- 低挿入損失
- 最高18GHzまでで1.5dB
- 最高40GHzまでで2.4dB
- 最高44GHzまでで2.5dB
- 高絶縁
- 最高18GHzまでで44dB
- 39dB~40GHz
- 最高44GHzまでで36dB
- 高い入力直線性
- 26dBm(標準)P0.1dB
- 48dBm標準IP3
- 高い電力処理能力
- 24dBmスルーパス
- 終端パス: 24dBm
- 全オフ状態制御
- ロジック選択制御
- 低周波数スプリアスなし
- 6µsセトリング時間(0.1dB最終RF出力)
- 24端子、3mm x 3mm LGAパッケージ
- ADRF5042、高速スイッチングバージョンとのピン互換性あり
アプリケーション
- 産業用スキャナ
- 試験装置
- セルラーインフラストラクチャ-ミリ波(mmWave)5G
- 軍用ラジオ、レーダー、電子対策(ECM)
- マイクロ波ラジオおよび微小開口端末(VSAT)
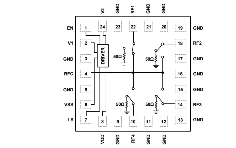
ブロック図
公開: 2020-09-23
| 更新済み: 2024-11-12

