Analog Devices Inc. ADRF5545A-EVALZ評価ボード

Analog Devices ADRF5545A-EVALZ評価ボードは、ADRF5545Aの特徴と性能の評価に貢献するように設計されています。ADRF5545Aは、デュアルチャンネル統合無線周波(RF)フロントエンドで、時分割二重化(TDD)ワイヤレスインフラアプリケーションに最適です。ADRF5545Aは、各チャンネルでのハイパワースイッチとデュアル段低ノイズアンプで構成されているマルチチップデバイスです。

特徴

  • フル機能搭載の評価ボード(ADRF5545A用)
  • 試験装置への簡単な接続
  • 2.6GHz~3.6GHzのマッチングネットワーク
  • 較正のためのスルーライン

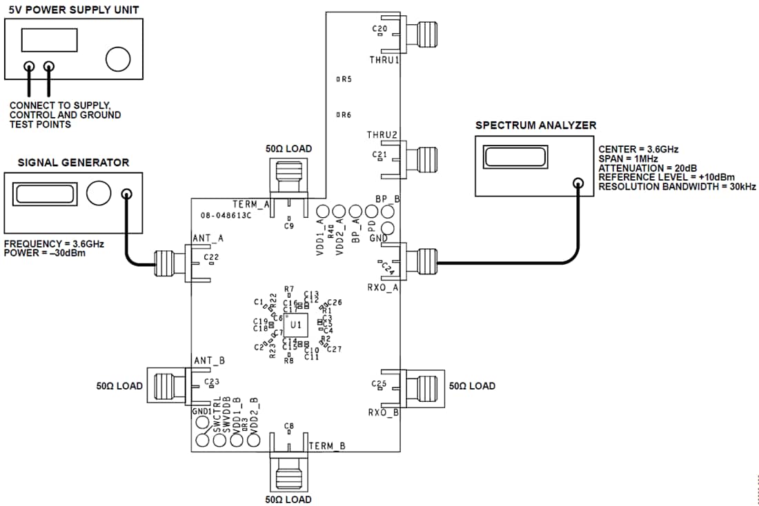
必要な機器

  • DC電源
  • シグナルジェネレータ
  • スペクトルアナライザ
  • ネットワーク解析器

テストセットアップ

チャート - Analog Devices Inc. ADRF5545A-EVALZ評価ボード
公開: 2019-10-02 | 更新済み: 2024-03-04