Analog Devices Inc. ADRF5547-EVALZレシーバ・フロントエンド評価ボード

Analog Devices ADRF5547-EVALZレシーバフロントエンド評価ボードは、ADRF5547の評価を目的としています。ADRF5547は、デュアルチャンネル統合無線周波数(RF)フロントエンドで、時分割多重(TDD)ワイヤレスインフラアプリケーションに最適です。ADRF5547は、各チャンネルでのハイパワースイッチとデュアル段低ノイズアンプで構成されているマルチチップデバイスです。この評価ボードは、ADRF5547を簡単に評価できる試験装置に簡単に接続できます。

特徴

  • フル機能搭載の評価ボード(ADRF5547用)
  • 試験装置への簡単な接続
  • 較正のためのスルーライン

必要な機器

  • DC電源
  • シグナルジェネレータ
  • スペクトラム解析器ネットワーク分析器

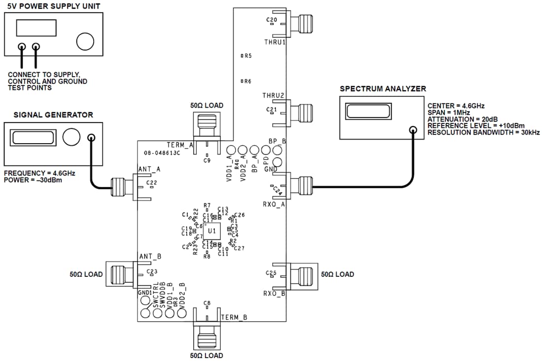
テストセットアップ

チャート - Analog Devices Inc. ADRF5547-EVALZレシーバ・フロントエンド評価ボード
公開: 2019-10-16 | 更新済み: 2024-03-04