Analog Devices Inc. ADRF5549-EVALZ評価ボード

Analog Devices Inc. ADRF5549-EVALZ評価ボードは、ADRF5549デュアルチャンネルRFフロントエンドモジュール(FEM)を評価するように設計されています。この評価ボードは、機器の試験を行うための簡単な接続、および較正を目的としたスルーラインが特徴です。ADRF5549-EVALZボードは、1.8GHz~2.8GHzの周波数範囲および5Vの供給電圧で動作します。

特徴

  • ADRF5549デュアルチャンネルRF FEMを評価
  • 試験装置への簡単な接続
  • 較正用のスルーライン

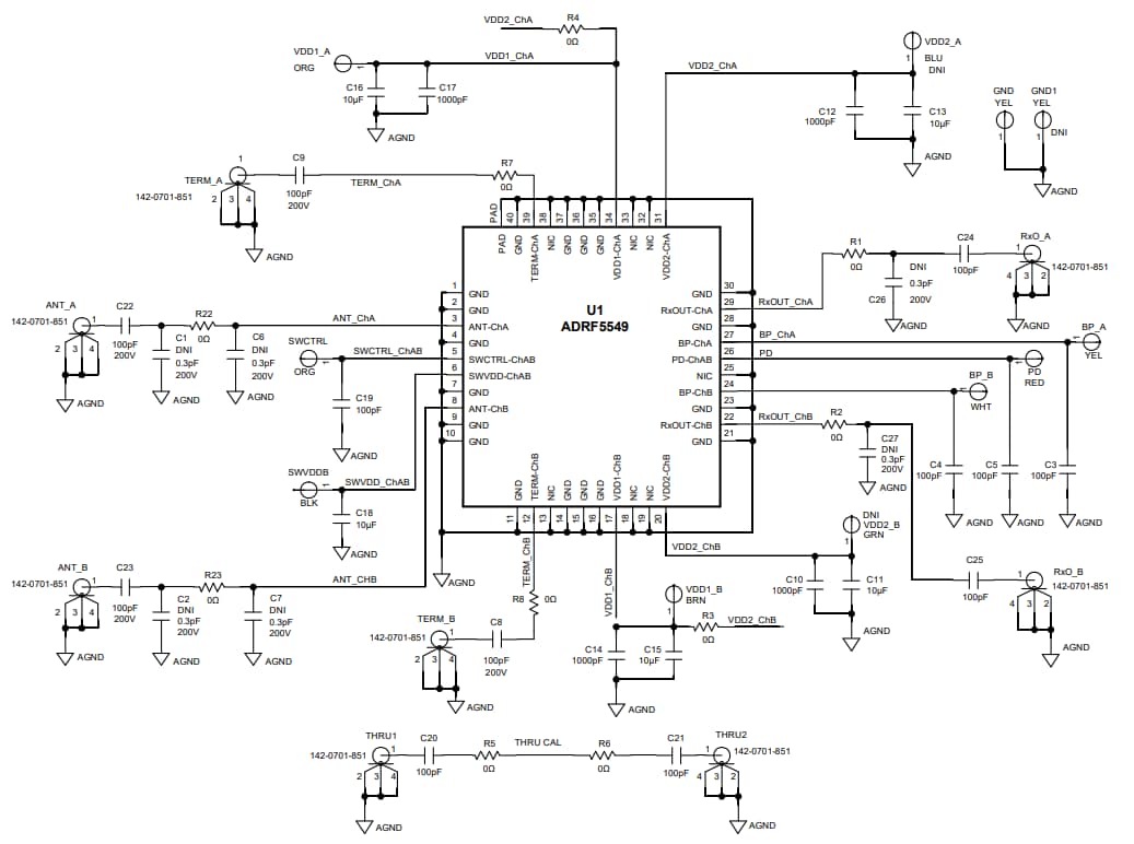
回路図

回路図 - Analog Devices Inc. ADRF5549-EVALZ評価ボード
公開: 2019-11-27 | 更新済み: 2024-02-26