Analog Devices Inc. ADRF57xx評価ボード
Analog Devices Inc. ADRF57xx評価ボードは、ADRF57xxライン(ADRF5720、ADRF5721、ADRF5730、ADRF5731)のデジタル・ステップ・アッテネータを評価します。これらのボードは、4層評価ボードで、0.5oz (0.7mil) ~1.5oz (2.2mil) プレート・トップおよびボトム銅層になっており、誘電体で区切られています。すべてのRFおよびDCトレースは、最上層の銅層に配線されています。内層および下層は、RF伝送線路に確かな接地を提供する接地面です。これらの評価ボードの中間および底部誘電体材料は、機械的強度を実現しています。全体的なボードの厚みは62milです。これによって、ボードのエッジに2.4mmのRFランチャを接続できます。アプリケーション
- 産業用スキャナ
- 試験装置と計測器
- 5Gミリ波セルラー・インフラ
- 軍用ラジオ、レーダー、電子対策(ECM)
- マイクロ波ラジオおよび微小開口端末(VSAT)
評価ボードのスタックアップ、クロス・セクション・ビュー
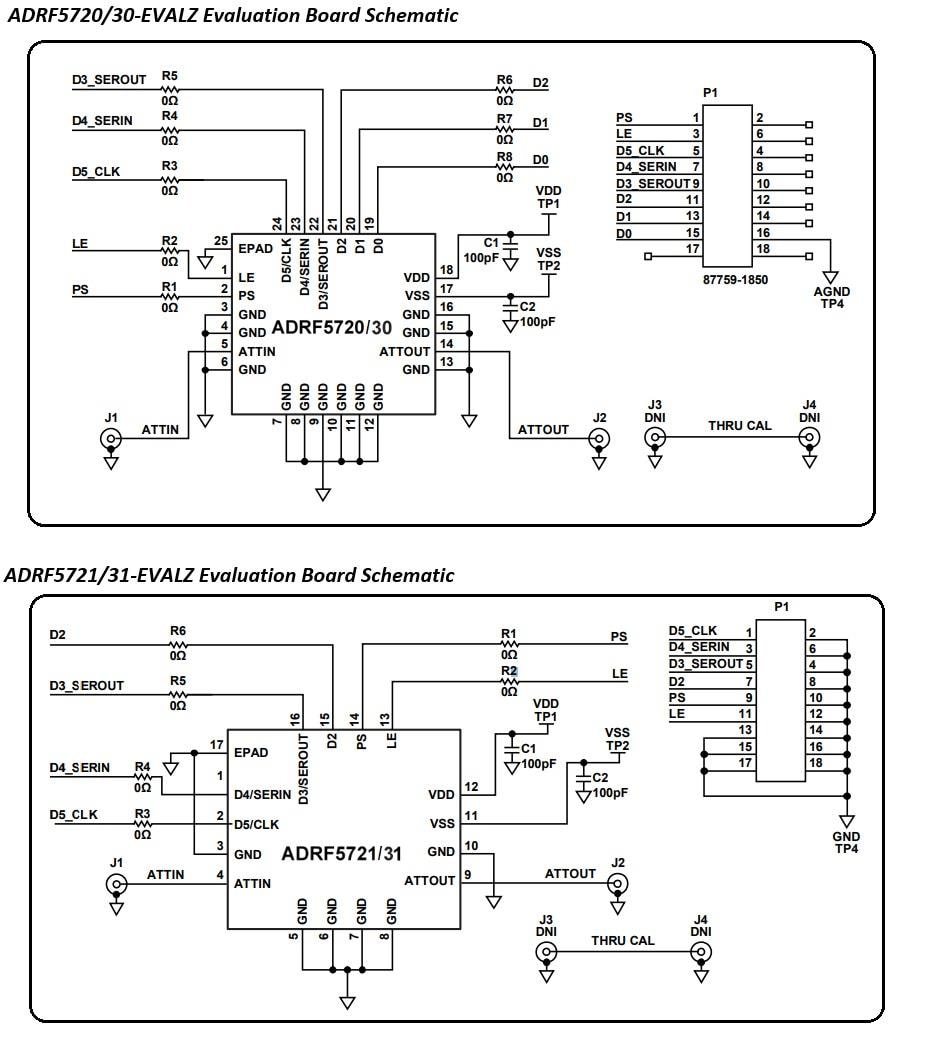
配線図
View Results ( 4 ) Page
| 部品番号 | データシート | ツールは次の評価用です: | 周波数 |
|---|---|---|---|
| ADRF5731-EVALZ | ![]() |
ADRF5731 | 100 MHz to 40 GHz |
| ADRF5720-EVALZ | ![]() |
ADRF5720 | 9 kHz to 40 GHz |
| ADRF5730-EVALZ | ![]() |
ADRF5730 | 100 MHz to 40 GHz |
| ADRF5721-EVALZ | ![]() |
ADRF5721 | 9 kHz to 40 GHz |
公開: 2019-01-07
| 更新済み: 2023-07-27

