Analog Devices Inc. ADRV9026クワッドチャンネル・ワイドバンドRFトランシーバ
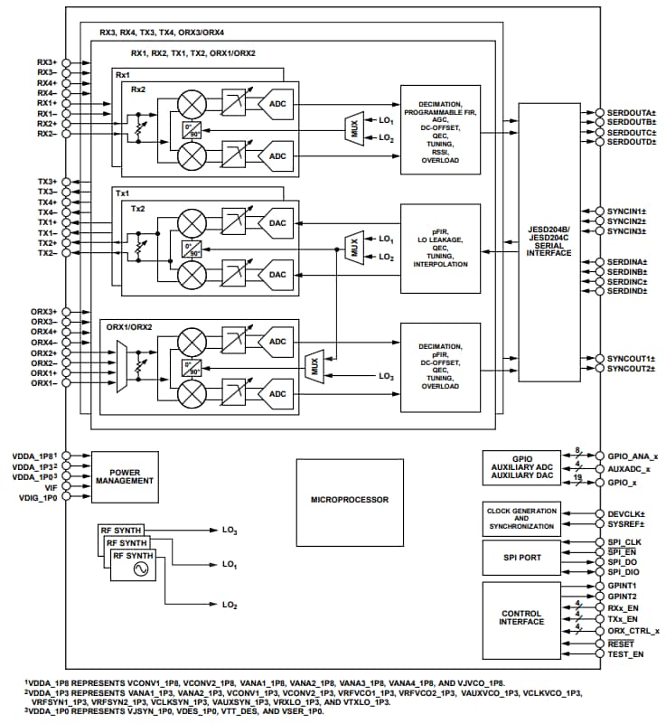
Analog Devices Inc. ADRV9026クワッドチャンネル・ワイドバンドRFトランシーバは、高度に統合されたアジャイルトランシーバで、独立して制御されている4台のトランスミッタが備わっています。ADRV9026は、各トランスミッタ・チャンネルの監視を目的とした専用の観測レシーバ入力が特徴です。このデバイスには、4台の独立した制御レシーバ、統合シンセサイザ、デジタル信号処理機能もあります。これによって、完全なトランシーバソリューションが実現しています。デバイスは、小型セル基地局無線、macro 3G/4G/5Gシステム、大規模マルチ入力/マルチ出力(MIMO)基地局のようなセルラー・インフラ・アプリケーションによって要求される性能を実現しています。特徴
- 4台の差動トランスミッタ
- 4台の差動レシーバ
- それぞれ2つの入力を備えた2台の観測レシーバ
- 中央周波数: 650MHz~6000MHz
- 最高レシーバ帯域幅: 200MHz
- 最高トランスミッタ帯域幅: 200MHz
- 最高トランスミッタ合成帯域幅: 450MHz
- 最高観測レシーバ帯域幅: 450MHz
- 完全統合独立型フラクショナルN無線周波シンセサイザ
- 完全統合クロック・シンセサイザ
- すべてのローカル発振器とベースバンドクロックを対象とした複数の位相同期
- TDDおよびFDDアプリケーションに対応
- Gbps JESD204B/JESD204Cデジタルインターフェイス16台
技術記事
- 5G Technology Devices for an O-RAN Wireless Solution
Discover a platform that meets the required RF characteristics, cost, and power budgets required to deploy a low-cost, high-performance O-RAN platform. - Simplify Antenna Calibration
The radio frequency (RF) phase-locked loop (PLL) phase synchronization feature available in Analog Devices’ software-defined radios (SDRs) helps in reducing the complexity in antenna calibrations, especially for systems that employ large antenna arrays.
ブロック図
公開: 2019-12-03
| 更新済み: 2024-02-28
