Analog Devices Inc. ADRV9029クワッドRFトランシーバ
Analog Devices Inc. ADRV9029クワッドRFトランシーバは、4つの差動トランスミッタ、4つの差動レシーバ、統合シンセサイザ、デジタル信号処理機能が特徴です。トランスミッタには、各トランスミッタチャンネルの監視用に専用の観測レシーバ入力が搭載されており、低消費電力での低ノイズ動作を目的とした直接変換モジュレータが使用されています。また、これらのデバイスには、2つの広い帯域幅、時間共有、観測経路レシーバも搭載されており、トランスミッタ出力の監視用の2つの入力がそれぞれ備わっています。レシーバサブシステムは、4つの独立した広帯域幅のダイレクト変換レシーバで構成されており、広いダイナミックレンジが備わっています。完全トランシーバサブシステムには、自動および手動減衰制御、DCオフセット補正、直交エラー訂正(QEC)、デジタルフィルタリングが搭載されています。ADRV9029トランシーバには、5つの完全統合位相ロックループ(PLL)が搭載されており、高レベルのRF性能を達成できます。これらのトランシーバには、パワーアンプの線形化での使用を目的とした、完全に統合された低消費電力デジタル・プリディストーション適応エンジンが搭載されています。ADRV9029トランシーバは、1.0 V、1.3 V、1.8 Vのレギュレータから直接給電され、標準シリアルペリフェラル・インターフェイス・シリアルポートを介して制御されます。代表的なアプリケーションには、3G/4G/5G TDDおよびFDD大規模MIMO、マクロ、小型セル基地局があります。
特徴
- 4台の差動トランスミッタ
- 4台の差動レシーバ
- それぞれ2つの入力を備えた2台の観測レシーバ
- 中央周波数範囲: 75MHz~6000MHz
- パワーアンプ線形化のための完全に統合されたDPD適応エンジン
- クレスト係数低減エンジン
- 最大レシーバ帯域幅: 200MHz
- 200MHzの最大トランスミッタ大信号帯域幅
- 450MHzの最大トランスミッタ合成帯域幅
- 450MHzの最大観測レシーバ帯域幅
- 完全統合独立型フラクショナルN無線周波シンセサイザ
- 完全統合クロック・シンセサイザ
- すべてのローカル発振器とベースバンドクロックを対象とした複数の位相同期
- TDDおよびFDDアプリケーションに対応
- 24.33Gbps JESD204B/JESD204Cデジタルインターフェイス
その他の資料
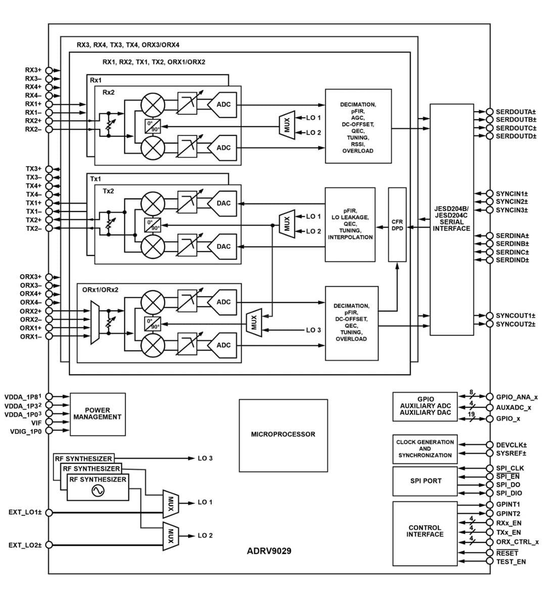
ブロック図
公開: 2021-03-15
| 更新済み: 2024-06-24
