Analog Devices Inc. ADuM4221/-1/-2ハーフブリッジゲートドライバ
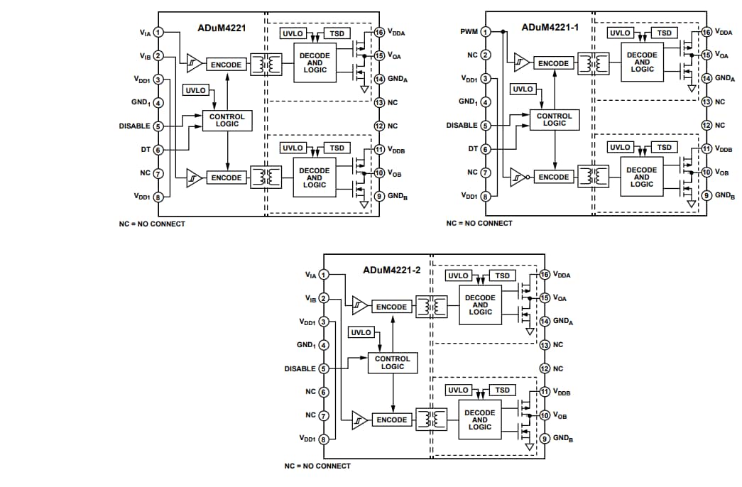
Analog Devices ADuM4221/-1/-2は、4A絶縁ハーフブリッジゲートドライバで、iCoupler® テクノロジーを採用しており、独立した絶縁高圧側、低圧側出力を提供しています。 ADuM4221/-1/-2は、5700Vrms 絶縁を提供し、拡張した沿面ワイドボディ、16リードSOIC_ICに収められています。高速CMOS技術とモノリシックトランス技術を組み合わせたこれらの絶縁部品は、パルストランスとゲートドライバの組み合わせ等の代替品よりも優れた性能特性を実現しています。これらのデバイスは、2.5V~6.5Vのロジック入力電圧範囲で動作し、より低い電圧システムとの互換性を実現しています。高電圧レベル変換方式を採用するゲートドライバと比較すると、ADuM4221/-1/-2は、入力と各出力の間に真のガルバニック絶縁を備えています。Analog Devices Inc. ADuM4221およびADuM4221-1にはそれぞれ、オーバーラップ 保護が組み込まれており、デッドタイムの調整が可能です。デッドタイムピン(DT)とGND1ピン間の単一レジスタは、高圧側と低圧側出力間の二次側にデッドタイムをセットします。
内部熱シャットダウン(TSD)は、ADuM4221/-1/-2の内部温度がTSD温度を超えた場合に出力を「低」にセットします。結果として、これらのデバイスは、広範な正負のスイッチ電圧全体で絶縁ゲートバイポーラトランジスタ(IGBT)または金属酸化物半導体電界効果トランジスタ(MOSFET)構成のスイッチ特性の信頼性の高い制御を実現しています。
特徴
- 4Aピーク電流(< 2Ω RDSON_x)
- 入力供給電圧:2.5V~6.5V
- 4.5V~35.0V出力供給電圧
- 最大2.5VのUVLO VDD1 正方向の閾値
- VDDA およびVDDB 正方向の閾値
のための複数のUVLOオプション- グレードA:最大4.5V
- グレードB:最大7.5V
- グレードC:最大11.6V
- 高精度タイミング特性
- 最大伝播遅延:44ns
- 調整可能なデッドタイムとデュアル入力(ADuM4221)
- 調整可能なデッドタイムとシングル入力(ADuM4221-1)
- デッドタイム制御およびデュアル入力(ADuM4221-2)なし
- CMOS入力ロジックレベル
- 150kV/μsの高コモンモード過渡電圧耐性
- 高接合部温度動作:125°C
- デフォルト低出力
- 安全および規制に関わる承認(申請中)
- UL認証(UL1577に準拠)
- 1分間で5700Vrms
- CSA部品受け入れ通知書5A
- VDE適合証明
- DIN V VDE V 0884-11はVIORM =849Vピーク
- UL認証(UL1577に準拠)
- 拡張した沿面ワイドボディ、16リードSOIC_IC
アプリケーション
- スイッチング電源
- 絶縁IGBT/MOSFETゲートドライバ
- 産業インバータ
- 窒化ガリウム(GaN)/シリコンカーバイド(SIC)互換
ビデオ
ブロック図
公開: 2020-09-18
| 更新済み: 2025-03-11
