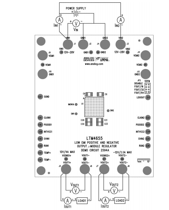
ADI LTM4655デモ回路DC2594Aは、1.2MHzで両方のチャンネルのスイッチング周波数を設定します。過負荷または短絡状態に起因して出力電圧の崩壊が深刻な状態になると仮定します。その場合、内部発振器は、LTM4655のプログラミングされたスイッチング周波数の1/5にフォールドバックし、電力スイッチを損傷から保護します。
特徴
- スペクトラム拡散オプション用のSSFMジャンパ
- 外部同期用のCLKIN入力
- 各出力のPGOOD信号
概要
適切な装置のセットアップ
公開: 2021-08-13
| 更新済み: 2022-03-11

