Analog Devices Inc. DC2922A-A/DC2922A-Bデモ回路(LTC7802用)
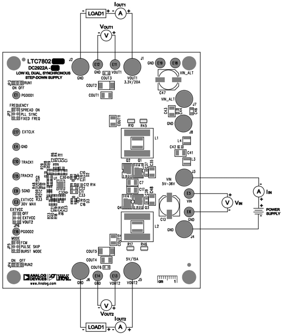
Analog Devices Inc. DC2922A-A/DC2922A-Bデモ回路は、LTC®7802またはLTC7802-3.3 PWMコントローラを特徴とするデュアル降圧DC/DCコンバータです。両方のデモボードに採用されているこれらのコントローラICはどちらも、40V低IQ、デュアル、二相同期降圧コントローラで、スペクトラム拡散が搭載されています。また、両方のデモボードは、5V~36V入力電圧範囲で動作し、20Aで3.3Vおよび1を実現しています。DC2922A-AにはLTC7802が採用されており、3.3V出力をセットするための抵抗器-分圧器ネットワークがあります。DC2922A-BにはLTC7802-3.3が採用されており、抵抗器-分圧器ネットワークを必要としない固定3.3V出力があります。Analog Devices Inc. DC2922A-A/DC2922A-Bボードの主な特徴には、スペクトラム拡散または外部クロックオプションのための周波数ジャンパもあります。また、VOUT2、EXTVCC、あるいは入力派生VCC用のEXTVCCジャンパ、FCM、パルススキップ、またはBurstMode®操作でコンバータを実行できるようにするMODEジャンパ、各出力のPGOOD信号もあります。2つのチャンネルは、さらなる大出力電流を目的に並列接続できます。
機器のセットアップ
公開: 2021-08-06
| 更新済み: 2022-03-11
