Analog Devices Inc. LTC7805デモボードDC3138A
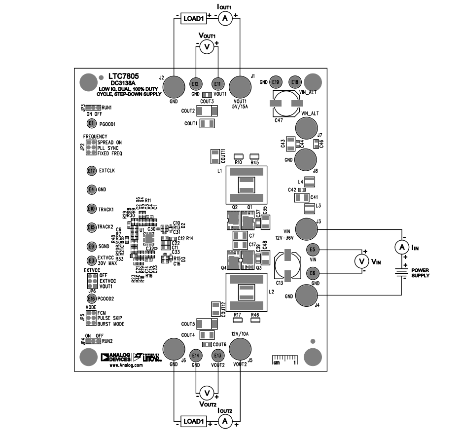
Analog Devices Inc. LTC7805デモボードDC3138Aは、12V~36V入力電圧範囲で動作するLTC7805デュアル出力降圧DC/DCコンバータの実証に使用します。LTC7805同期降圧コントローラは、高性能デュアル降圧DC/DCスイッチング・レギュレータ・コントローラで、すべてのNチャンネルパワーMOSFET段を駆動します。デモボードDC3138Aは、15Aで5Vおよび10Aで12Vの2つの出力が特徴で、LTC7805を実装しています。2つのチャンネルは、さらなる大出力電流を目的に並列接続できます。特徴
- 周波数ジャンパ(スペクトラム拡散または外部クロック用)
- VOUT2、EXTVCC、またはその他の派生VCCを使用するEXTVCCジャンパー
- 各出力のPGOOD信号
- コンバータをFCM、パルススキップ、あるいはBurst Mode®動作で実行できるMODEジャンパ
前面図、背面図
機器の適切なセットアップ
公開: 2021-10-04
| 更新済み: 2022-03-11
