Analog Devices Inc. EV-AD74412RSDZ評価ボード
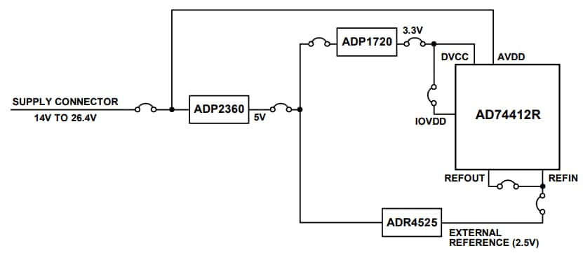
Analog Devices EV-AD74412RSDZ評価ボードは、AD74412Rの機能を展開し、クワッドチャンネル、ソフトウェア構成に対応できる入力/出力デバイスです。デバイスには、シリアル・ペリフェラル・インターフェイス(SPI)互換インターフェイスが搭載されている単一のチップソリューションに統合されているアナログ出力、アナログ入力、デジタル入力、抵抗性温度検出器(RTD)計測のための機能性があります。このボードは、システムデモンストレーションプラットフォーム(SDP)から制御できます。また、このボードには、14V~26.4VのAVDD動作供給が必須ですが、PCに接続してPCから電力を使用できます。特徴
- アナログ出力、アナログ入力、デジタル入力、RTD測定用の機能
- SDP経由で制御可能
- 14V~26.4VのAVDD動作供給が必要
- 接続時にPCから電力を使用可能
簡素化された電力図
公開: 2019-11-25
| 更新済み: 2024-03-08
