Analog Devices Inc. EV-ADF4368SD1Z 評価ボード
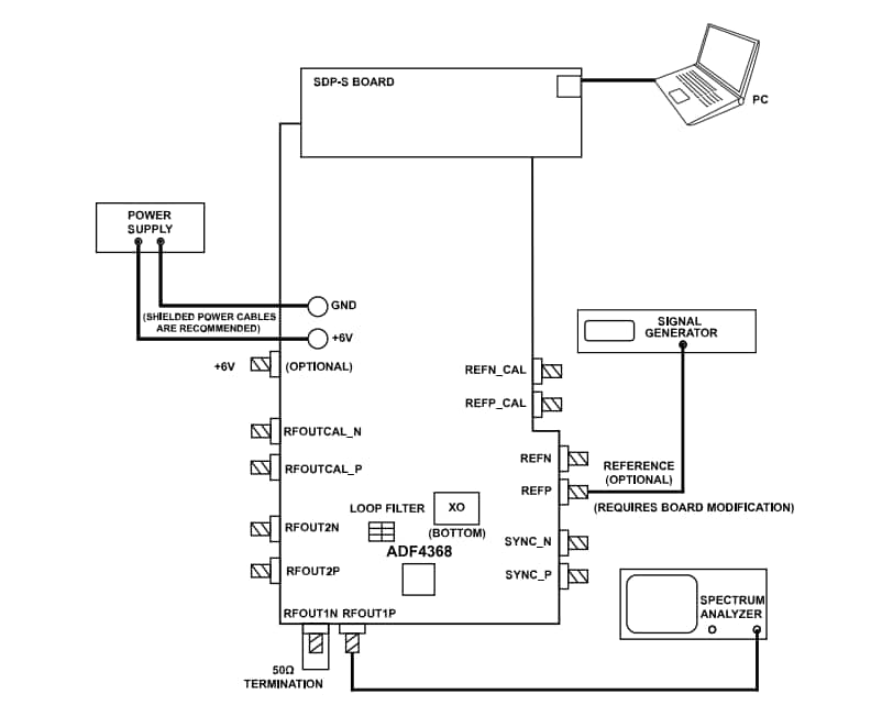
Analog Devices EV-ADF4368SD1Z評価ボードは、位相ロックループ(PLL)用の統合電圧制御発振器(VCO)が搭載されているADF4368フラクショナル周波数シンセサイザを実証します。EV-ADF4368SD1Zには、統合VCO、USBインターフェイス、電源コネクタ、オンボードリファレンス発振器、伝搬遅延較正パス、サブミニチュアバージョンA(SMA)コネクタが搭載されているADF4368周波数シンセサイザが搭載されています。出力は、50Ω 伝送ラインとAC結合されており、50Ω インピーダンス計器の駆動に適した出力になります。ADI EV-ADF4368SD1Zには、SDP-Sボード(同梱されていません)が必要です。SDP-Sは、ACEソフトウェアによるEV-ADF4368SD1Zのソフトウェアプログラミングを可能にします。特徴
- 統合VCO、ループフィルタ、USBインターフェイス、オンボードリファレンス発振器、伝搬遅延較正パス、電圧レギュレータが搭載されたADF4368周波数シンセサイザをはじめとする自己完結型ボード
- Windows®ベースのソフトウェアを使用すると、PCからシンセサイザ機能の制御が可能
- 6Vでの外部給電
必要な機器
- 評価ソフトウェア用のUSBポートを搭載したWindowsベースのPC
- システムデモンストレーションプラットフォーム、シリアル専用(SDP-S) EVAL-SDPCS1Zコントローラ・ボード
- 電源(6V)
- スペクトルアナライザまたは位相ノイズアナライザ
- 50Ωターミネータ
- 低ノイズREFINソース(オプション)
セットアップ図
PCBレイアウト
公開: 2023-07-31
| 更新済み: 2025-03-20
