Analog Devices Inc. EV-ADF4378SD1Z評価キット
Analog Devices EV-ADF4378SD1Z評価キット用は、フェーズロック・ループ (PLL) 用の電圧制御発振器 (VCO) を内蔵したADF4378周波数シンセサイザの性能を評価できます。EV-ADF4378SD1Zには、VCOを内蔵したADF4378周波数シンセサイザ、USBインターフェイス、電源コネクタ、伝搬遅延キャリブレーション・パス、オンボード・リファレンス発振器、SMA (Subminiature Version A) コネクタが含まれています。このキット出力はは50Ωの伝送ラインとACカップリングされており、50Ωインピーダンス測定器の駆動に適しています。EV-ADF4378SD1ZにはSDP-Sコントローラ・ボード(このキットには含まれていません)が必要です。SDP-Sによって、ACEソフトウェアを使用したEV-ADF4378SD1Zのソフトウェア・プログラミングが可能になります。特徴
- VCO内蔵のADF4378周波数シンセサイザ、ループ・フィルタ、USBインターフェイス、オンボード・リファレンス発振器、伝搬遅延キャリブレーション・パス、電圧レギュレータが搭載された自己完結型ボード
- Windows®ベースのソフトウェアを使用するため、シンセサイザの機能をPCから制御可能
- 6Vでの外部給電
必要な機器
- 評価用ソフトウェアの接続用にUSBポートが搭載されたWindowsベースのPC
- システム・デモンストレーション・プラットフォーム、シリアル専用 (SDP-S) EVAL-SDPCS1Zコントローラ・ボード
- 電源 (6V)
- 50Ωターミネータ
- スペクトラム・アナライザまたは位相ノイズ・アナライザ、オシロスコープ、あるいはデジタル通信アナライザ (DCA)
- 低ノイズREFINソース(オプション)
- SYSREFクロック
ソフトウェア
- ACEソフトウェア、バージョン1.26以降
- ADF4378 プラグイン、バージョン1.2022.48100以降
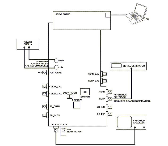
セットアップ図
レイアウト
公開: 2024-05-07
| 更新済み: 2024-06-24
