Analog Devices Inc. EV-ADF5355SD1Z評価ボード
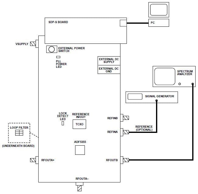
Analog Devices EV-ADF5355SD1Z評価ボードは、ADF5355周波数シンセサイザの性能を設計者が評価する上で役立ちます。 EV-ADF5355SD1Z評価ボードには、統合VCO、差動122.88MHzリファレンスTCXO、ループフィルタ、USBインターフェース、電源コネクタ、サブミニチュアVersion A(SMA)コネクタが備わったADF5355周波数シンセサイザが含まれています。 USBケーブルは、ボードをPC USBポートに接続するように同梱されています。 EV-ADF5355SD1Z評価ボードは、と共に作動します。 EV-ADF5355SD1Zは、USB 2.0経由でPCに接続するSDPコントローラボードに接続します。 この評価ソフトウェアは、SDPコントローラボードを介して通信します。 DSPコントローラボードは、評価ボードに情報を渡します。特徴
- Self-contained board includes:
- ADF5355 frequency synthesizer with integrated voltage-controlled oscillator (VCO)
- Differential 122.88MHz temperature-controlled crystal oscillator (TCXO)
- Loop filter (5kHz)
- USB interface
- Voltage regulators
- Windows-based software allows control of synthesizer functions from a PC
- Externally powered by 6V
キット内容
- EV-ADF5355SD1Z
- USB cable
Equipment Needed
- Windows-based PC with USB port for evaluation software
- System demonstration platform, serial only (SDP-S) EVAL-SDP-CS1Z controller board Power supply (6V)
- Spectrum analyzer 50Ω terminators
Evaluation Board Setup
公開: 2016-08-30
| 更新済み: 2022-03-11
