Analog Devices Inc. EVAL-AD5770RSDZ評価ボード
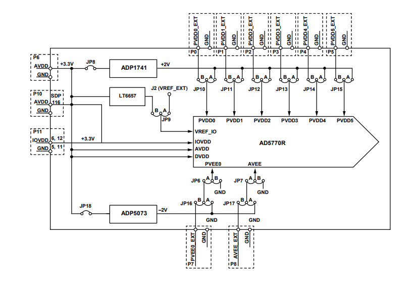
Analog Devices Inc. EVAL-AD5770RSDZ評価ボードは、AD5770R 6チャンネル14ビット電流出力デジタルアナログコンバータ(DAC)を評価するように設計されています。EVAL-AD5770RSDZは、フル機能が搭載されている評価ボードで、オンボードP11コネクタおよびEVAL-SDP-CB1Z(コネクタP10)によって制御されています。SDP-Bシステム開発ボードには、Windows® PC USBポート経由でEVAL-AD5770RSDZ評価ボードを制御するAD5770R評価ソフトウェアが活用されています。EVAL-AD5770RSDZボードには、ADP5073スイッチングレギュレータが採用されているパワーソリューションが実装されており、+3.3V電源から-2Vを生成させることができ、ADP1741リニアレギュレータは+3.3V電源から+2Vを生成します。さらに、AD5770Rには、9本のオンボードコネクタ(P0~P8)を介して接続されているリニア電源も使用されています。AD5770Rには、内部1.25V高精度リファレンスが搭載されています。EVAL-AD5770RSDZボードには、別に1.25V、0.5ppm/°C電圧リファレンスが搭載されています。
AD5770R評価ソフトウェアを使用すると、シリアル・ペリフェラル・インターフェイス(SPI)からADR5570Rを構成および制御する直感的なグラフィカル・ユーザ・インターフェイス(GUI)が可能になります。
特徴
- 必要なすべての機能を備えたAD5770R用評価ボード
- 制御用PCソフトウェア
- Analog Devices® Inc., EVALSDP-CB1Zシステム開発プラットフォームと連動したPC制御
キット内容
- EVAL-AD5770RSDZ評価ボード
- USBケーブル
評価ソフトウェア
ブロック図
公開: 2019-09-30
| 更新済み: 2024-03-11
