EVAL-ADF4371SD2Z/EV-ADF4372SD2Z評価ボードには、SDP-S(システム・デモ・プラットフォームシリアル)コントローラ・ボード(EVAL-SDP-CS1Z)が必要です(同梱されていません)。SDP-Sコントローラ・ボードは、USB toシリアル・エンジンに基づいており、USB 2.0高速ポート経由でPCへの接続を提供しています。SDP-Sコントローラボードを使用すると、EV-ADF4371SD2ZまたはEV-ADF4372SD2Zのソフトウェア・プログラミングを実現できます。
特徴
- VCO、180kHzループフィルタ、USBインターフェイス、電圧レギュレータを搭載したプリマウント型ADF4371周波数シンセサイザを内蔵した自己内蔵型ボード
- Windowsベースのソフトウェアを使用すると、PCからシンセサイザ機能の制御が可能
- 6Vでの外部給電
- SDP-Sコントローラ・ボード(EVAL-SDP-CS1Z、同梱されていません)が必要
必要な機器
- 必要な機器
- 評価ソフトウェア用のUSBポートを搭載したWindows®ベースのPC
- システムデモンストレーションプラットフォーム、シリアル専用(SDP-S)
- EVAL-SDP-CS1Zコントローラボード
- 電源(6V)
- スペクトルアナライザ
- 50Ωターミネータ
- 低ノイズREFINソース(オプション)
- 必要なドキュメント
- ADF4371またはADF4372のデータシート
- EV-ADF4371SD2ZまたはEV-ADF4372SD2Zのユーザガイド
- 必要なソフトウェア
- ACEソフトウェア、バージョン1.10またはそれ以降
- 最新バージョンのADF4371またはADF4372プラグイン
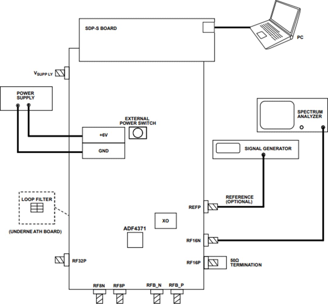
セットアップ図
公開: 2019-03-05
| 更新済み: 2025-03-25

