Analog Devices Inc. EVAL-ADM3058EEBZ評価ボード
Analog Devices Inc. EVAL-ADM3058EEBZ 評価ボードは、CANまたはCAN FDネットワーク用のADM3058E 信号・電源絶縁型トランシーバを評価します。この評価ボードは、すべての入出力機能を外付け部品なしで動作させることができます。 EVAL-ADM3058EEBZボードは、-40°C〜+125°Cの産業用温度範囲で動作します。この評価ボードには、 > 8mmの沿面距離を持つ沿面距離拡大8ピン標準スモールアウトラインパッケージ(SOIC_IC)が使用されています。代表的なアプリケーションには、産業用オートメーション、プロセス制御、ビル制御、輸送、インフラなどがあります。特徴
- ADM3058E 12Mbps 絶縁型CAN FDトランシーバ
- 工業動作温度範囲: -40°C~+125°C
- 低放射エミッションの2層PCB、EN 55022クラスBに合格
- LDOレギュレータ電源電圧範囲:6V〜9V
- TXDピンとRXDピン信号用のSMAコネクタ
アプリケーション
- CANopen、DeviceNet、その他のCANバス実装
- 産業用オートメーション
- プロセス制御とビル制御
- 輸送とインフラ
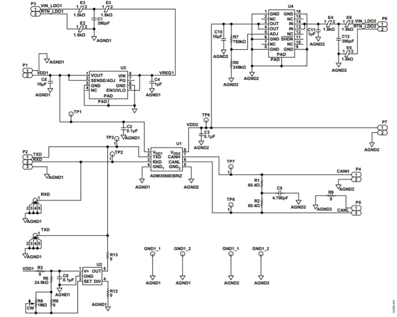
評価用ボード図
公開: 2020-08-03
| 更新済み: 2024-10-25
