Analog Devices Inc. EVAL-ADN4680E評価キット
Analog Devices Inc. EVAL-ADN4680E評価キットは、ADN4680EクワッドM-LVDSトランシーバの迅速で簡単な実証に使用するように設計されています。ADN4680EクワッドM-LVDSトランシーバは、最大125MHzまたは250Mbps非ゼロ復帰(NRZ)での動作が可能な1対のドライバとレシーバーです。各トランシーバのドライバとレシーバは、ハーフデュプレックス構成で接続されています。この構成によって、データの送信または受信用それぞれのイネーブルピン経由で各トランシーバを設定できます。EVAL-ADN4680EEBZは、高速信号発生を目的に最適化されています。ADI EVAL-ADN4680E評価キットは、長さが一致した100Ω差動ペアとして配線されたボードでのさまざまなM-LVDS信号トレースに対応します。DIxデジタル入力およびROxレシーバ出力は長さが一致しており、制御された50Ωインピーダンスグランドで配線されています。EVAL-ADN4680EEBZは、最適なパワーインテグリティのための堅固な地面と電力面を実現します。
EVAL-ADN4680EEBZには、7mm × 7mm・48リードLFCSPに格納されたADN4680Eトランシーバ用のフットプリントがあります。
特徴
- ハーフデュプレックス、クワッドM-LVDSトランシーバであるADN4680E 250 Mbpsの評価が簡単
- 高速信号伝達を目的にボードレイアウトを最適化済
- M-LVDS差動ペア(100Ωに制御された差動インピーダンス搭載)での一致したトラック長
- 高速DIxおよびROxロジック信号(50Ω to GNDに制御されたインピーダンス搭載)での一致したトラック長
- SMAジャック(高速DIx信号とROxロジック信号、およびM-LVDS Ax信号とBx信号への接続用
- オプションのネジ端子コネクタ(ROx、REx、DEx、DIxロジック信号へのアクセス用)
- ネジ端子台を使用した電源接続と接地接続(アース接続)
- グローバルパワーダウン(一括シャットダウン、電源切断)を、ENPピンを介してジャンパで選択可能
- 各トランシーバのドライバ有効化、レシーバ有効化、フェイルセーフを、REx、DEx、FSxピンを介してジャンパで選択可能
- 複数の信号のプロービングを促進するためにすべての信号および複数の接地点を計測するための試験ポイント
- 終端処理されたバスのシミュレーションを実施するためのAx信号とBx信号の間の100Ω終端抵抗
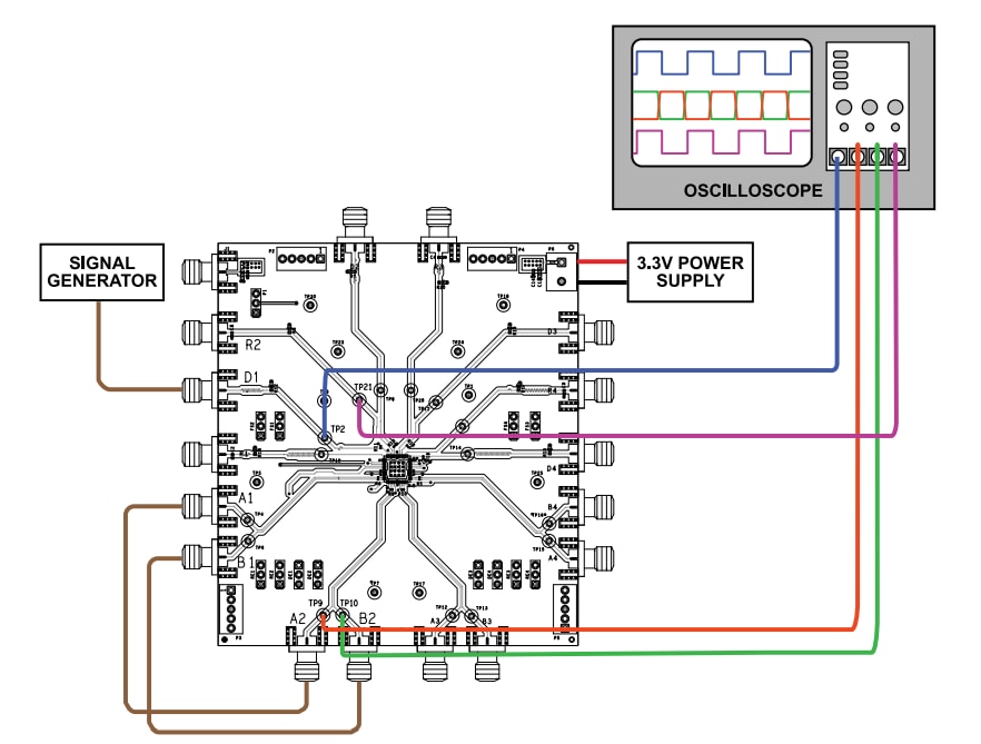
必要な機器
- 4チャンネル対応オシロスコープ
- 信号発生器
- 3.0V~3.6V電源
概要
評価ボードのコンフィグレーション
公開: 2021-10-28
| 更新済み: 2022-03-11
